» Tuningprojekt EP3 -> FERTIG!!!!!!!!! -> S. 11

Pop Blow of whistlerNeuen Thread eröffnenNeue Antwort erstellenHallo, hifi einbau in civic 02er
<1234
67121314>
AutorNachricht
Gesperrt 
Anmeldedatum: 31.10.2005
Beiträge: 7566
11.12.2006, 17:16
zitieren

So...
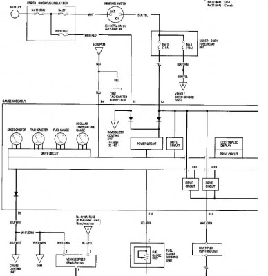
wie es aussieht, muss am ECM neben dem grün-weißen (Geschwindigkeit) auch das blaue (Drehzahl, hier Tachometer) Kabel anliegen. Das müsste dann auch Richtung Kombiinstrument, Stecker B-4 gehen.
Vom ECM selbst hab ich leider keinen Belegungsplan, das wäre noch praktisch!

edit: doch noch was fürs ECM gefunden! "outputs enginge speed pulse" sollte die drehzahl sein?


 
tacho.JPG
tacho.JPG - [Bild vergrößern]


 
Tacho2.JPG
Tacho2.JPG - [Bild vergrößern]


 
Tacho4.JPG
Tacho4.JPG - [Bild vergrößern]


pn
General 

Anmeldedatum: 11.12.2005
Beiträge: 3481
Wohnort: Lautertal
11.12.2006, 17:35
zitieren

Jep so ist!! sau geil danke ;-) spar ich mir das raussuchen jetzt....


Verfasst am: 12.12.2006, 12:08
zitieren

:D :D :D :D :D :D :D :D :D :D :D :D :D :D :D :D :D :D :D :D

danke an den typen mit dem buschigen rotbraunen sch*** lol :laugh: , wenn sie so passt wie sie verarbeitet ist - BIST DU DER GRÖßTE!!!!!!!! :D :D

danke fuchs.


 
IMG_0190.JPG
IMG_0190.JPG - [Bild vergrößern]


 
IMG_0192.JPG
IMG_0192.JPG - [Bild vergrößern]


 
IMG_0198.JPG
IMG_0198.JPG - [Bild vergrößern]
pn
Premium-Member 

Name: deacone
Geschlecht:
Fahrzeug: 97 EJ9 RIP; 96 EG2 verkauft ; 96 RIP; 00 CG4 verkauft; 00 FK1 Sport RIP; 00 EJ9 FL, Accord CW3 Execu
Anmeldedatum: 04.07.2006
Beiträge: 4233
Wohnort: Budapest / Erlangen
12.12.2006, 12:19
zitieren

na das wolln wir dann ma sehn^^

pn
Gesperrt 
Anmeldedatum: 31.10.2005
Beiträge: 7566
12.12.2006, 12:32
zitieren

Nicht erwischen lassen :D

pn
General 

Anmeldedatum: 11.12.2005
Beiträge: 3481
Wohnort: Lautertal
12.12.2006, 12:47
zitieren

???? warum nicht erwischen lassen?? die wird geprüft und eingetragen, koste es was es wolle.... da gibt es massig möglichkeiten... schaut mal z.b. auf www.s2k.de

da fährt jeder dritte eine carbon haube und die sind auch fast alle eingetragen, ausser bei denen die keinen wert drauf legen....

ist schon klar das man für paar 30,- euro keine carbonhaube offiziel eingetragen bekommt aber aus dem alter bin ich raus mit illegealen teilen rumzufahren... :laugh: ;)

Ansonsten bin ich begeistert, qualität ist TOP, gewicht ist Spitze, und die Optik ist der hammer!! :D :o Es bestätigt mal wieder das die meisten leute die immer nur rumnörgeln (FRANK -DU BIST NICHT GEMEINT!!) weder sowas je life gesehen haben noch jemals eine bessesen haben.... Kaufen- Ranbauen- Testen- Urteilen... nur so funktionierts!! :laugh:

Das ist wie mit Air Intakes - alle erzählen was von leistungsverlust aber keiner hat jemals vorher/nachher auf dem prüfstand gemessen - ICH SCHON!! 8)

Also back to topic... wer möchte näheres wissen?? :D :D


pn
Premium-Member 

Name: Fuchs
Geschlecht:
Fahrzeug: Aerodeck
Anmeldedatum: 04.09.2004
Beiträge: 15070
Wohnort: Köln / Bonn / Euskirchen


Meine eBay-Auktionen:
12.12.2006, 12:48
zitieren

wieee schon da?

ich hatte extra gesacht der soll das Paket schöööön langsam versenden :P

Gruß Fuchs


pn email
Gesperrt 
Anmeldedatum: 31.10.2005
Beiträge: 7566
12.12.2006, 13:00
zitieren

ich glaub auf dem silber (hab ja die gleiche Farbe) kommt das saugeil.
Hab mal darüber nachgedacht, das mit Folie zu machen (Haube, Dach, Heckklappe).


pn
Veteran 

Name: Olli
Geschlecht:
Fahrzeug: CTR EP3 Bj. 2002
Anmeldedatum: 13.01.2006
Beiträge: 812
Wohnort: Tettnang
12.12.2006, 13:22
zitieren

Folientuning...ojeojeoje....halt ich mal gaaar nix mehr von. Ausserdem siehts nicht annähernd so geil aus wie richtiges Carbi.

pn
Trainee 
Geschlecht:
Fahrzeug: Type R FN2
Anmeldedatum: 07.06.2005
Beiträge: 33
Wohnort: Darmstadt
12.12.2006, 18:12
zitieren

schickes Teil :) schon montiert?

pn
Gast 
16.05.2007, 13:27
zitieren

Mach mit!

Wenn Dir die Beiträge zum Thread "Tuningprojekt EP3 -> FERTIG!!!!!!!!! -> S. 11" gefallen haben oder Du noch Fragen hast oder Ergänzungen machen möchtest, solltest Du Dich gleich bei uns anmelden:



Registrierte Mitglieder genießen die folgenden Vorteile:
✔ kostenlose Mitgliedschaft
keine Werbung
✔ direkter Austausch mit Gleichgesinnten
✔ neue Fragen stellen oder Diskussionen starten
✔ schnelle Hilfe bei Problemen
✔ Bilder und Videos hochladen
✔ und vieles mehr...


Neuen Thread eröffnenNeue Antwort erstellen
<1234
67121314>
Ähnliche BeiträgeRe:
Letzter Beitrag
Tuningprojekt Insignia OPC ST
HI, seit ca 3 Monaten bin ich stolzer Besitzer eines Insignia OPC ST BJ 2011. Das Tuning läuft komplett über die Firma SKN Tuning GmbH in der Zentrale in Benstorf ab. MIt dieser Firma habe ich aus der Vergangenheit sehr gute Erfahrungen gemacht zum Thema...
von Max1702
1
909
13.12.2014, 09:47
Max1702
 Tuningprojekt ED7 mit ED9 Motor
Hey, wollte mal meinen neuen alten ED7 vor. 8) Muss halt noch einiges dran gemacht werden aber das kommt alles nach und nach hab auch schon ein paar Teile Zuhause liegen ;) Verbaut ist ein ED9 Motor der aber leider noch nicht ganz läuft :wall: hier...
Seite 2 [Civic bis 91]von BlaCkCiv
16
1.572
22.05.2007, 19:05
BlaCkCiv
 Mein Tuningprojekt eg2
Hallo Leute, Ich wollte euch hier mal mein eg2 vorstellen ein paar von euch haben ihn schon in einem anderen teil hier gesehen aber ich wollte hier mal meinen eigenen tread. :) natürlich ist jede anregung zum fahrzeug erlaubt egal ob kritik...
Seite 2, 3, 4, ... 11, 12, 13 [Del Sol]von del_sol driver
128
15.673
19.05.2008, 20:17
delsolcrx
 Eg ist fertig
So nach langer zeit ist er endlich fertig :hrhr: :hrhr: :hrhr: :hrhr: :hrhr:...
Seite 2, 3, 4 [Civic 92-95]von BM-EG4
31
1.610
19.08.2009, 06:25
pythonzimmer
 *fertig*
hey leutz. kurz zu dem was abgeht. stell euch hier mein EG5 projekt vor. hab jetzt am WE angefangen und werde mich so LANGSAM nach vorne arbeiten, da ich azubi bin, ne eigene wohnung hab und demnach nicht so flüssig bin. zum EG selbst: Er soll im...
Seite 2, 3, 4 [Civic 92-95]von Manlik
36
2.170
29.11.2010, 17:07
Manlik
 Kenzeichenplatte ist fertig
So Leute meine heckparti ist nun auch fertig. GFK kennzeichenplatte, selbstleuchtendes Nummernschild sind Montiert. Und bis auf das ich beim demontieren der alten Platte 1kg Blätterteig gefunden habe bin ich ganz zu Frieden mit meiner...
Seite 2, 3 [Del Sol]von LexxDeSol
22
819
27.09.2011, 06:17
LexxDeSol
 auspuffanlage ist fertig...
mein auspuff ist endlich fertig!!!! :D :D :D freu mich total denn der klang ist der hammer, genauso wie die optik!!!! :o wollte ja eigentlich ein doppelrohr in der mitte haben, wie beim mugen jazz, aber leider hat mein schatz meine traum sehr...
Seite 2, 3, 4, 5 [Jazz 02-08]von Tiffy
41
3.359
27.05.2007, 15:30
Tiffy
CB 250 zur CB 350 fast fertig
Ich heiße Ralf, komme aus dem Odenwald, gebürtiger Mannheimer, deshalb immer schon von HONDA Islinger in der Augartenstrasse von HONDA infiziert. Ich kann nicht mehr zählen, wieviele Honda`s ich besessen habe, sehts mir bitte nach. Alter...
von RALFCB350
0
539
29.05.2015, 17:47
RALFCB350
 armaturenbrett fertig
hi leute hab an meinem eg das armaturenbrett lackiert was sagt ihr...
Seite 2 [Civic 92-95]von krizza
14
1.737
07.10.2007, 19:53
kleintoady
 asb swap ... fertig
so ich bin jetzt mal dabei die ansaugbrücke zu wechseln und warte momentan auf die dichtung ... mir ist soweit alles klar nur hab ich keine ahnung wo dieses teil an die "neue" brücke rankommt und woran der schlauch unten kommt ... die beiden...
Seite 2, 3, 4, ... 8, 9, 10 [Civic 96-00]von DANIEL500KMH
94
1.807
14.10.2014, 18:24
EJ9_Driver
© 2004 - 2025 www.maxrev.de | Communities | Impressum |