» Wick3d's EH6 - Time to say ....

eh6 d16z6 komische geräusche (getriebe)?Neuen Thread eröffnenNeue Antwort erstellenEdelbrock Nocke bei eg2
<1237677
7980173174175>
AutorNachricht
Elite 

Name: Tim
Fahrzeug: Honda EH6 @ B18C6; Kawasaki ZX-6r 636B
Anmeldedatum: 04.09.2008
Beiträge: 2377
Wohnort: Lippstadt
14.03.2009, 18:39
zitieren

Haha.. kirmes is immer gut, frage Silent :D der macht auch Kirmes in seiner Karre^^
Ja wenns schwarz getönt is und ordentlich gemacht is siehts bestimmt echt nicht schlecht aus, aber nicht zu groß machen....gelle?


pn
Master 
Anmeldedatum: 07.07.2008
Beiträge: 6435
14.03.2009, 18:47
zitieren

wie wäre es so?

 
crx8.jpg
crx8.jpg - [Bild vergrößern]


 
dsc01219_1236959470.jpg
dsc01219_1236959470.jpg - [Bild vergrößern]


 1x  bearbeitet
pn
Elite 

Name: Alex
Geschlecht:
Fahrzeug: CRX8 (EH6)
Anmeldedatum: 07.07.2007
Beiträge: 1996
Wohnort: Mannheim


Meine eBay-Auktionen:
14.03.2009, 18:53
zitieren

hat en japanischen stil :D
aber da wüsst ich nich ganz ob es jemand gleich erkennt ^^

glaub die "8" müsste man ändern ^^

EDIT: oder eben die vierecke oben rum weg


pn
Master 
Anmeldedatum: 07.07.2008
Beiträge: 6435
14.03.2009, 18:54
zitieren

eher das x sieht aus wie ein strichmännekin

pn
Elite 

Name: Alex
Geschlecht:
Fahrzeug: CRX8 (EH6)
Anmeldedatum: 07.07.2007
Beiträge: 1996
Wohnort: Mannheim


Meine eBay-Auktionen:
15.03.2009, 16:40
zitieren

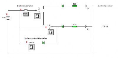
hab mir etwas gedanken gemacht bezüglich der schaltung / ansteuerung meiner 4. bremsleuchte lol

soll diese bedingungen erfüllen:
  1. aus und nur 3. bremsleuchte leuchtet
  2. CRX8 leuchtet als 3. Bremsleuchte, also die obere bremsleuchte aus
  3. CRX8 ist manuell dazuschaltbar
  4. CRX8 leuchtet wenn man den kofferraum öffnet
das ganze werde ich über 2 schalter bedienen
  1. schalter zwischen 3. bremsleuchte und CRX8
  2. schalter manuell an oder aus
als anhang hab ich die schaltung.

jetz ist eig nur noch die frage wie ich es ausleuchte ... SMD's ? wenn ja welche ... wieviele ? will eben das es schön ausgeleuchtet ist (klar kommts drauf an wie breit ich es mache)
aber was leuchtmittel angeht bin ich noch etwas frisch lol

so hier die schaltung ... hab hoffentlich alles bedacht

mfg
alex


 
crx8-schaltung.jpg
crx8-schaltung.jpg - [Bild vergrößern]


pn
Master 
Anmeldedatum: 07.07.2008
Beiträge: 6435
15.03.2009, 19:08
zitieren

ich denke eine oder zwei hiervon sollten reichen!
is die dritte bremsleuchte nich masse gesteuert über den bremsschalter?

http://cgi.ebay.de/SuperFlux-LED-Leiste-50-cm-wasserdicht-ROT-12V-30-LEDs_W0QQitemZ150320400255QQihZ005QQcategoryZ161236QQssPageNameZWDVWQQrdZ1QQcmdZViewItem Anzeige


pn
Elite 

Name: Alex
Geschlecht:
Fahrzeug: CRX8 (EH6)
Anmeldedatum: 07.07.2007
Beiträge: 1996
Wohnort: Mannheim


Meine eBay-Auktionen:
15.03.2009, 19:14
zitieren

oja sehen nice aus ... und breiter als 50 cm kann und will ich die schrift nich machen.
denke 2 dürften da reichen :D

thx



Verfasst am: 15.03.2009, 19:16
zitieren

Mat0025
is die dritte bremsleuchte nich masse gesteuert über den bremsschalter?

hm ka hab die 3. bremsleuchte bei mir nachgerüstet und am linken bremslicht abgegriffen
pn
Master 

Geschlecht:
Fahrzeug: CRX Targa EG2, Alltagsbitch Hyundai i20
Anmeldedatum: 23.11.2007
Beiträge: 5981
Wohnort: Thüringen
15.03.2009, 19:16
zitieren

Sieht ja ganz gut aus,aber ein was hast Du nicht bedacht.
Was ist wenn zu Showzwecken die CRX8-Leuchte als Bremslicht geschalten hast,fährst dann wieder auf die Straße und vergißt auf die normale dritte Bremsleuchte um zuschalten.Gefällt den Grünen bestimmt nicht...
Mann könnte die Sache vielleicht mit dem Zündungsplus verriegeln.Das heißt wenn Motor an dann nur dritte Bremsleuchte als Bremslicht.Und bei Motor aus ist die Leuchte frei wählbar... ;)

Wick3d
Mat0025
is die dritte bremsleuchte nich masse gesteuert über den bremsschalter?

hm ka hab die 3. bremsleuchte bei mir nachgerüstet und am linken bremslicht abgegriffen

also plus...


pn
Master 
Anmeldedatum: 07.07.2008
Beiträge: 6435
15.03.2009, 19:18
zitieren

eine von oben und eine von unten!sollte hell genug sein!
emphele dir das crx8 mit plexiglas zu hinterlegen und das plexiglas mit tönungsspray oder scheibenfolie zu schwärzen!bin der meinung der bremsschalter schaltet masse!


pn
Gast 
03.01.2013, 11:03
zitieren

Mach mit!

Wenn Dir die Beiträge zum Thread "Wick3d's EH6 - Time to say ...." gefallen haben oder Du noch Fragen hast oder Ergänzungen machen möchtest, solltest Du Dich gleich bei uns anmelden:



Registrierte Mitglieder genießen die folgenden Vorteile:
✔ kostenlose Mitgliedschaft
keine Werbung
✔ direkter Austausch mit Gleichgesinnten
✔ neue Fragen stellen oder Diskussionen starten
✔ schnelle Hilfe bei Problemen
✔ Bilder und Videos hochladen
✔ und vieles mehr...


Neuen Thread eröffnenNeue Antwort erstellen
<1237677
7980173174175>
Ähnliche BeiträgeRe:
Letzter Beitrag
 Große spenden und hilfs aktion für Wick3d
Hi leute! hoffe diese aktion findet eure unterstützung! wick3d alias alex aus diesem forum is del sol fahrer der gesundheitsbedingt auf nen rollstuhl angewiesen is! dennoch hat wick3d nen projekt gestartet das jetzt leider zum verrecken verdammt ist...
Seite 2, 3, 4, 5 [Allgemein]von ZuNahmSie
41
2.602
09.01.2010, 21:02
ZuNahmSie
time.h
Hi Leute, ich versuche mich an der time.h library. Dabei ermittle ich 2 mal die Sekunden seit 1970 und rechne bei der einen Variable 10 dazu. Nun versuche ich mit der difftime Funktion diese Differenz anzeigen zu lassen, leider kommt als Ergebnis immer 0...
von johann1976
3
382
30.05.2022, 07:30
steinsgate
 -==Time to say GOODBYE :-( ..... =-
Nach langer langer Zeit habe ich von meinem EG3 abschied genommen, viel haben wir zusammen durchgemacht so manchmal geflucht über den alten Gaul aber immer wieder lieb gewonnen doch jetzt kam ein Jüngerer und dynamischer und hat den kleinen "alten" vom...
Seite 2, 3 [Civic 92-95]von ej9racerWHV
22
1.920
20.11.2005, 19:00
ej9racerWHV
Verständnishilfe zu time.h
Hallo Zusammen, ich bin relativ neu im Programmieren unterwegs und habe ein starkes Problem mit der Umsetzung von: time_t now; time&#40;&now&#41;; localtime_r&#40;&now, &local&#41;; Serial.println&#40;&local, "%A,...
von der_Gaertner
0
245
01.11.2022, 06:19
der_Gaertner
  272000km - time for second life...
also hier mal der ausgangszustand, haben den grad abgeholt :) er hat zwar über 270tkm drauf, war aber immer brav zur inspektion, hat nur einen (!!) vorbesitzer und läuft einwandfrei :) momentan ist das ganze an den schwellern noch ziemlich rostig und die...
Seite 2, 3, 4, ... 28, 29, 30 [Del Sol]von white*angel
292
12.914
09.10.2017, 13:59
white*angel
 Time Attack Civic EG
Hi leute, wollt euch mal unser kleines "Function Crew" Projekt vorstellen :D Wir sind 4 Freunde, aus der Gegend um Ulm, die sich das Ziel gesetzt haben 2020 an der German Time Attack Serie in der Klasse Pocket Rocket an den start zu...
Seite 2, 3 [Civic 92-95]von Strunz-Jr
23
1.819
13.11.2019, 18:29
Lori-DC2
DaBlackbird´s EJ9 - Service Time
Soooo, erstmal ein Hallo in die Runde hier... Ich bin der Simon und momentan noch 24 Jahre alt und habe mir vor ca. 5 Monaten einen EJ9 Facelift gekauft. Zu beginn war ich etwas spektisch gegenüber dem Auto aber mittlerweile hat sich das gelegt außer der...
[Civic 96-00]von DaBlackbird
4
267
30.01.2014, 17:32
Blues
Real Time Umbau
Hey Leute ! :) Heute beim zusammen reumen meines Schuppen`s, hab ich wieder mein Allradsystem ausgegraben.. (hab ja mal nen EE4 geschlachtet) Da kam Mir da so ne Idee... ! Der Winter steht ja bald vor der Tür, und ohne Allrad bei massig Schnee halt ich...
[Civic bis 91]von Markus ED EG
4
356
22.09.2013, 20:44
Markus ED EG
 Si time - Update: new Cam new shooting
So heute mal ein paar Fotos geschossen bei dem tollen...
Seite 2, 3, 4, 5, 6, 7, 8, 9 [Civic 06-11]von miftii
84
7.967
26.10.2015, 13:40
miftii
 JHMEH6 /// mugen /// time to say goodbye
Da das Projekt JRSC Coupe beendet und geschlachtet ist, da es einfach zu kostspielig wurde und mir über den Kopf gewachsen ist, hab ich mir einen Wunsch erfüllt der mich schon lang beschäftigt hat :) Back to the roots - zurück zum del Sol :D Eins vorweg,...
Seite 2, 3, 4, ... 75, 76, 77 [Del Sol]von fago88
764
54.574
22.06.2017, 19:37
Alex_EF8
© 2004 - 2026 www.maxrev.de | Communities | Impressum |