Forum
»
Picture Collection
»
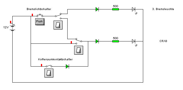
Crx8 Schaltung Bild
crx8-schaltung.jpg
Forum-Code:
[url=http://www.maxrev.de/crx8-schaltung-bild-108486.htm][img]http://www.maxrev.de/files/2009/03/thumbs/t_crx8_schaltung.jpg[/img][/url]
Details:
Author:
Wick3d
Posted:
15.03.2009, 16:40
Description:
Filesize:
17,46 KB
Viewed:
32 time(s)
Comment this Picture:
Wick3d's EH6 - Time to say ....
1741 Antworten
© 2004 - 2026 www.maxrev.de (dd482) |
Communities
|
Impressum