» Motor/Kühlproblem Civic Seite 4

Dichtringe Ventildeckeldichtung EG5Neuen Thread eröffnenNeue Antwort erstellenKühlerschläuche extrem unter Druck!
<12
45>
AutorNachricht
Trainee 

Name: Rene
Geschlecht:
Fahrzeug: Honda Civic EG5 / CRX ED9
Anmeldedatum: 22.07.2012
Beiträge: 41
Wohnort: Hoy
17.10.2012, 11:34
zitieren

evtl kühler verstopft/verkalkt? hatte ich zumindest.danach gings bei mir wieder.im schlimmsten fall wird wohl die kopfdichtung hin sein

pn
Veteran 

Name: David
Geschlecht:
Fahrzeug: Honda Civic EJ1 mit Extras und EG4 mit D15B7
Anmeldedatum: 17.11.2005
Beiträge: 618
Wohnort: Erkelenz


Meine eBay-Auktionen:
17.10.2012, 13:41
zitieren

LightningMach doch einfach mal den Kühlerdeckel ab, füll auf und lass den Deckel offen und starte den Motor.

Wenn dann ordentlich Blasen aufsteigen, dann ist die ZKD ziemlich sicher im Eimer.

Nur weil die erst gemacht wurde, heißt das nicht dass die Dichtung was taugt, oder die Dichtung vernünftig verbaut wurde.

Hi heiko


ok mach ich wann müssen die blasen den kommen?direkt beim sarten?

Blasen hatte aber halt wo der am kochen war.



Verfasst am: 17.10.2012, 13:42
zitieren

SpoonCivicevtl kühler verstopft/verkalkt? hatte ich zumindest.danach gings bei mir wieder.im schlimmsten fall wird wohl die kopfdichtung hin sein


kühler ist gerade zwei wochen alt.

Gruß
pn yim
Grand Master 

Name: Heiko
Geschlecht:
Fahrzeug: 95`Accord CD7@H22A2, 97`Accord CE6@C27A, 92`Civic EG8@?, 02`Jazz GD1@L13, Audi S8 4E@V10, 98`CRV RD1
Anmeldedatum: 27.10.2005
Beiträge: 17899
Wohnort: At The Hospital-Hill


Meine eBay-Auktionen:
17.10.2012, 15:13
zitieren

David
SpoonCivicevtl kühler verstopft/verkalkt? hatte ich zumindest.danach gings bei mir wieder.im schlimmsten fall wird wohl die kopfdichtung hin sein


kühler ist gerade zwei wochen alt.

Gruß

Zu erst sollte der Kühlwasserkreislauf natürlich erst mal wieder aufgefüllt und entlüftet sein.
Wenn die ZKD defekt ist dann kommen lauter kleine Bläschen im Kühler hoch und das schon im Standgas.


pn email
Veteran 

Name: David
Geschlecht:
Fahrzeug: Honda Civic EJ1 mit Extras und EG4 mit D15B7
Anmeldedatum: 17.11.2005
Beiträge: 618
Wohnort: Erkelenz


Meine eBay-Auktionen:
17.10.2012, 15:23
zitieren

Lightning
David
SpoonCivicevtl kühler verstopft/verkalkt? hatte ich zumindest.danach gings bei mir wieder.im schlimmsten fall wird wohl die kopfdichtung hin sein


kühler ist gerade zwei wochen alt.

Gruß

Zu erst sollte der Kühlwasserkreislauf natürlich erst mal wieder aufgefüllt und entlüftet sein.
Wenn die ZKD defekt ist dann kommen lauter kleine Bläschen im Kühler hoch und das schon im Standgas.


ok also ich werde morgen mittag nach nachtschicht erstmal thermostat wechseln,dann flüssigkeit entlüften und dann mal lauern ob ich bläschen sehen.

Brauch den wagen ist ja mein daily.



Verfasst am: 19.10.2012, 15:50
zitieren

Erstmal danke für die Tipps.

So gestern thermostat eingebaut.

Alles Sensoren überprüft und wieder entlüftet bei laufenden Motor.Thermostat schaltet und Lüfter springt auch an.

Muß wohl sagen es hat lange gedauert den zu entlüften.Im Ausgleichsbehälter steigt es nur minimal hoch.Bin direkt gefahren und alles ist soweit gut.Bin ne strecke gefahren von ca 40km wohl nicht autobahn.

Heute morgen wieder überprüft motor gestartet und wieder entlüftet.

Heiko es sind keine Bläschen bei geöffneten Kühlerdeckel zu sehen.Ich muß wohl sagen bei drücken des oberen Schlauch kommt trotzdem ein paar blasen luft hoch.

Ist das normal?Und meine Heizung wird nicht warm.


Viele Grüße
pn yim
Gesperrt 
Anmeldedatum: 14.02.2010
Beiträge: 9669
19.10.2012, 16:44
zitieren

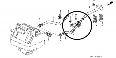
Ist vielleicht das Heizungsregelventil, direkt hinterm Motor an der Stirnwand defekt? Die klemmen gern, bzw gammeln fest.

 
B__1730.jpg
B__1730.jpg - [Bild vergrößern]


pn
Premium-Member 

Anmeldedatum: 10.10.2009
Beiträge: 3179
Wohnort: Nähe vom Hamsterberg
19.10.2012, 17:03
zitieren

Oder der Bowdenzug / Seilzug ausgehängt?

pn
Gesperrt 
Anmeldedatum: 14.02.2010
Beiträge: 9669
19.10.2012, 17:05
zitieren

wuselduselOder der Bowdenzug / Seilzug ausgehängt?

Wäre auch möglich. Hätte da noch ne Vermutung:

Seilzug am Heizungskühler nicht fest, weil die Befestigungsnasen gern wegbrechen, oder die Blechklammer nicht richtig auf dem Bowdenzug sitzt.


pn
Veteran 

Name: David
Geschlecht:
Fahrzeug: Honda Civic EJ1 mit Extras und EG4 mit D15B7
Anmeldedatum: 17.11.2005
Beiträge: 618
Wohnort: Erkelenz


Meine eBay-Auktionen:
19.10.2012, 17:52
zitieren

DarkAngel1977
wuselduselOder der Bowdenzug / Seilzug ausgehängt?

Wäre auch möglich. Hätte da noch ne Vermutung:

Seilzug am Heizungskühler nicht fest, weil die Befestigungsnasen gern wegbrechen, oder die Blechklammer nicht richtig auf dem Bowdenzug sitzt.

bodenzug ist doch welcher vom heizungsbedienteil

aus geht oder?

Ist dadurch das entlüften beeinträchtigt?


pn yim
Gast 
18.11.2012, 15:48
zitieren

Mach mit!

Wenn Dir die Beiträge zum Thread "Motor/Kühlproblem Civic Seite 4" gefallen haben oder Du noch Fragen hast oder Ergänzungen machen möchtest, solltest Du Dich gleich bei uns anmelden:



Registrierte Mitglieder genießen die folgenden Vorteile:
✔ kostenlose Mitgliedschaft
keine Werbung
✔ direkter Austausch mit Gleichgesinnten
✔ neue Fragen stellen oder Diskussionen starten
✔ schnelle Hilfe bei Problemen
✔ Bilder und Videos hochladen
✔ und vieles mehr...


Neuen Thread eröffnenNeue Antwort erstellen
<12
45>
Ähnliche BeiträgeRe:
Letzter Beitrag
Nach d16 swap..Motor ruckelt und springt fast nicht an nur nach/bei Warmstart! ab Seite 3
Hallo, nachdem ich heute den ganzen Tag versucht habe meinen Motor ohne Getriebe auszubauen und das sch...ß Teil immer noch drin ist frage ich mich wie ich die ATWs ohne Hebebühne rausbekommen soll? Also ich werde auf jeden Fall das Getriebe mit...
Seite 2, 3 [Civic 92-95]von Mr Civic
25
1.564
01.02.2013, 13:15
Mr Civic
 B-Motor in einen Civic mit D-Motor pflanzen - Tips & Tricks
Mahlzeit! Dies hier soll ein Sammelthread werden für alle diejenigen, die mit dem Gedanken spielen sich nen B16, B18 oder was auch immer, in ihren Civic mit ursprünglich nem D-Motor zu pflanzen. Oder auch für diejenigen denen ein D16Z5 bzw. D16A9...
Seite 2, 3, 4, 5, 6, 7, 8 [Civic bis 91]von Mattes
78
9.322
04.01.2017, 20:16
Binka
 Blackdream's Lady..zusammenfassung auf Seite 1..Bremsen sind da Seite 47
Wollte euch mal mein noch in schwarz lackierten Honda vorstellen Technische Daten (Serie) STAND 2011 Fahrzeug: Honda Civic EJ9 Baujahr: 1997 Hubraum: 1396ccm Leistung: 66 kW / 90 PS Schaltgetriebe: 5-Gang Gewicht: 1030 kg Motor: 90PS Update(swap auf...
Seite 2, 3, 4, ... 45, 46, 47 [Civic 96-00]von blackdream99
468
28.865
18.02.2016, 06:40
blackdream99
 Reisbrennen 2010 - Bilder ab Seite 12 - Videos Seite 13
Hallo Leute!! Ich wollte fragen ob wir als Club nicht zum Reisbrennen in Oschersleben fahren wollen?? Hier der Link ist ja noch ein bissel hin :D Dann können wir auch GRW...
Seite 2, 3, 4, ... 13, 14, 15 [2North4U]von baby21
146
8.558
10.09.2010, 23:12
Frauenautofahrer
anderer Motor für Civic MB2 mit Motor D14A8
Moin, ich hab also obiges Fahrzeug, ein Hatchback oder Fastback, wie auch immer die den nennen. Hat 5 Türen und ist die von Opas gefahrene Variante. Da ich fürchte der Zylinderkopf macht's nicht mehr lang, möchte ich mir nen gebrauchten Motor zulegen....
[Civic 96-00]von Yapon
0
549
07.04.2009, 15:58
Yapon
Rover Motor baugleich mit Civic Motor?
Hab mal ne Blöde frage und denk das es eher nicht hinhaut. Aber sind die Rover SOHC Motoren baugleich mit den Civic SOHC? Wie ich drauf komme? Durch diesen TiTel bei Ebay --> "Rover 416 SI Motor (SOHC-Honda)" Hmmm also...
[Allgemein]von Thundar
6
2.699
24.08.2006, 08:08
Thundar
 my new EPB Facelift Civic Coupé * Seite.19*
My EJ6 Coupe Facelift 1.6 Cool -Bj.2001 -81tkm -aus 1.Hand Exterieur - Orginale EM1 Lippe - Mudflaps Interieur - OEM DC5 Recaros in blau - Spoon Schaltknauf - Alcantara Schaltsack mit Blauer Naht - OEM EK9 Momo Lenkrad Motor & AGA - OEM D16Y7 Motor -...
Seite 2, 3, 4, ... 18, 19, 20 [Civic 96-00]von b0Ra
194
10.789
29.09.2018, 17:43
b0Ra
Leistungsverlust bei meinen Civic ep3 *seite 3*
Schönen guten Abend, wollte mal was Fragen. Ich habe mir am Wochenende ein Rennen auf der 1/4 meile geliefert mit einem Kumpel. Und da ist mir aufgefallen das mein Civic garnicht so schnell ist, wie er sollte eigentlich. Das Rennen habe ich...
Seite 2, 3, 4 [Type-R]von Silver Civic
37
3.080
01.10.2013, 00:04
Silver Civic
 FS frage seite 13. ...musikausbau im civic ej9
moin...ich brauche nen neuen subwoofer den ich in die ersatzradmulde in meinem ej9 verbauen kann...meinen alten hats die tage zerrissen und ich höre bei etwas lauterer lautstärke nen zerren und mitknacken(hat das membran unten abgerissen, war scho etwas...
Seite 2, 3, 4, ... 12, 13, 14 [Car Audio, Apps, Bluetooth & Navigation]von TronTe
133
6.029
23.10.2009, 09:52
TronTe
Suche für Civic EJ9 ET Rechte Seite
Absoluter Notstand... Civic Coupe EJ9 Brauche ET Rechte Seite einen Kotflügel und eine Türe möglichst...
[Civic 96-00]von Der.Organizer
3
444
20.01.2008, 15:08
kleintoady
© 2004 - 2026 www.maxrev.de | Communities | Impressum |