» Kein Vtec, Fehlercode 17

Alles was du brauchstNeuen Thread eröffnenNeue Antwort erstellenAm schnellsten lichtmaschine tauschen
AutorNachricht
Elite 

Geschlecht:
Fahrzeug: honda crx ed9; ed9@b16
Anmeldedatum: 10.06.2009
Beiträge: 1755
Wohnort: Berlin
14.10.2012, 19:19
zitieren

abend,
habe folgendes problem:
nach einiger zeit fahren geht die motorkontrolleuchte an und das steuergerät spuckt
code 17 aus!
tacho und drehzahlmesser funktioniert!

wie funktioniert das eigentlich mit dem vtec-signal???
gibt der tacho ein signal ans steuergerät, und das wiederum ein signal ans vtec-ventil?

wie kann ich überprüfen ob das steuergerät überhaupt ein signal bekommt?


pn
Premium-Member 

Name: Woll-E
Geschlecht:
Fahrzeug: EH6
Anmeldedatum: 03.05.2009
Beiträge: 21228
Wohnort: Köln
14.10.2012, 20:46
zitieren

Da der ED9/EE8 noch eine Tachowelle hat, muss das Geschwindigkeitssignal vom Tacho umgewandelt werden und wird dann vom Tacho an die ECU geschickt. Schau mal, ob da ein Kabelbruch ist.

pn
Elite 

Geschlecht:
Fahrzeug: honda crx ed9; ed9@b16
Anmeldedatum: 10.06.2009
Beiträge: 1755
Wohnort: Berlin
14.10.2012, 20:50
zitieren

weißt du welches kabel das ist am steuergerät?
müsste man doch messen können, ob dort überhaupt ein signal vom tacho kommt, oder!?


pn
Premium-Member 

Name: Woll-E
Geschlecht:
Fahrzeug: EH6
Anmeldedatum: 03.05.2009
Beiträge: 21228
Wohnort: Köln
14.10.2012, 20:57
zitieren

Wenn ich mich nicht täusche, war das ein blauweißes. Ich schau mal grad.

pn
Elite 

Geschlecht:
Fahrzeug: honda crx ed9; ed9@b16
Anmeldedatum: 10.06.2009
Beiträge: 1755
Wohnort: Berlin
14.10.2012, 21:01
zitieren

ja super, danke!
kannst mir auch die komplette pinbelegung schicken, oder hier posten?
würde noch gern wissen, über welchen pin das vtec-signal rausgeht zum ventil!


pn
Premium-Member 

Name: Woll-E
Geschlecht:
Fahrzeug: EH6
Anmeldedatum: 03.05.2009
Beiträge: 21228
Wohnort: Köln
14.10.2012, 21:05
zitieren

Ich such grad. Sorry, dauert was.


Verfasst am: 14.10.2012, 21:12
zitieren

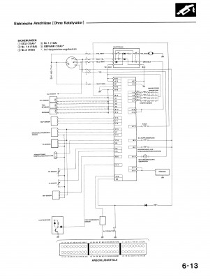
Hier der Schaltplan zur ECU

Dazu hier dann passend nochmal der Link, da findest du auch das VTEC Signal :) Pin Nr. A8.

http://hondaswap.com/reference-materials/ecu-pinouts-28667/

Die kabel sind die gleichen. Nur die Pins sind anders belegt - aber wem sag ich das. Guck im Link die letzte Spalte, EF8/EF9. :)


 
06-013.jpg
06-013.jpg - [Bild vergrößern]

 1x  bearbeitet
pn
Elite 

Geschlecht:
Fahrzeug: honda crx ed9; ed9@b16
Anmeldedatum: 10.06.2009
Beiträge: 1755
Wohnort: Berlin
14.10.2012, 21:46
zitieren

danke für den link! :)

jetzt noch ne elektrik-noob frage :p
wie mess ich an den pins? einfach einmal masse und dann an den jeweiligen pin?


pn
Premium-Member 

Name: Woll-E
Geschlecht:
Fahrzeug: EH6
Anmeldedatum: 03.05.2009
Beiträge: 21228
Wohnort: Köln
14.10.2012, 21:51
zitieren

Manche Multimeter haben dafür eine Funktion. Da gehste mit dem einen Ende an den Pin vorn und mit dem andern Ende an den Tachostecker. Dann siehste ja, ob Strom durchfließt oder nicht.

pn
Elite 

Geschlecht:
Fahrzeug: honda crx ed9; ed9@b16
Anmeldedatum: 10.06.2009
Beiträge: 1755
Wohnort: Berlin
14.10.2012, 21:57
zitieren

du meinst mit der wiederstand-funktion kann man auf kabelbruch prüfen! :)
ja, das werd ich auch machen, ober wenn das kabel ok ist, will ich ja wissen ob auch ein signal am steuergerät ankommt!


pn
Gast 
14.10.2012, 21:57
zitieren

Mach mit!

Wenn Dir die Beiträge zum Thread "Kein Vtec, Fehlercode 17" gefallen haben oder Du noch Fragen hast oder Ergänzungen machen möchtest, solltest Du Dich gleich bei uns anmelden:



Registrierte Mitglieder genießen die folgenden Vorteile:
✔ kostenlose Mitgliedschaft
keine Werbung
✔ direkter Austausch mit Gleichgesinnten
✔ neue Fragen stellen oder Diskussionen starten
✔ schnelle Hilfe bei Problemen
✔ Bilder und Videos hochladen
✔ und vieles mehr...


Neuen Thread eröffnenNeue Antwort erstellen
Ähnliche BeiträgeRe:
Letzter Beitrag
Orange Kontrollleuchte + KEIN Vtec + KEIN Tacho
Hallo, ich habe seit heute ein richtig blödes Problem! Wie im Titel beschrieben geht die organge Kontrollleuchte, die normalerweise nur beim Zünden angeht, nicht mehr aus UND ich habe keinen Vtec mehr, das heisst der Motor "reisst" nicht...
Seite 2 [Performance]von jdm_ek3
17
1.530
02.06.2008, 05:30
Sub-Zero
EG6 Notlauf kein Fehlercode
Folgendes Prob: - EG6 ging auf einmal aus beim anrollen an ne Ampel, lief einwandfrei! Feststellung: Zahnriemen und ca. 4 Zähne übersprungen, nix mehr hat gepasst. Also Steuerzeiten wieder korrekt eingestellt und gleich Kompression geprüft: 13;...
[Civic 92-95]von Airmax
0
285
09.04.2010, 19:49
Airmax
Kein Fehlercode bei abgesteckter Lambda EK3?
Hallo! Habe einen ek3 sedan preface. Komme trotz neuen kat, neuer lambda, neuen kerzen nicht bei der Abgasuntersuchung durch. Keine Falschluft, Auspuff dicht. Ölwechsel inkl Filter, neuer Benzinfilter, neue Benzinpumpe, neuer Luftfilter. Auto läuft...
Seite 2 [Performance]von Mizi
16
445
11.08.2021, 07:22
Mizi
BA4 ALB Leuchte brennt kein Fehlercode
Hallo, nun noch was ... habe in der Mittelconsole nun hinter dem Aschenbecher eine blaue Leuchtdiode entdeckt ... mein ALB-Lämpchen brennt kurz nach dem Anfahren und ich hoffte dort nun den genauen Fehler erkennen zu können - nix - das Mistding...
[Prelude]von JerrySoft
3
442
10.08.2009, 11:29
Timon007
Komische Geräusche, Geruch,... KEIN Fehlercode
Hy Leute, ich mach mir grad Sorgen um meinen kleinen :S Wie ihr euch hoffentlich denken könnt fahr ich meinen Sol immer warm und tret ihn auch nicht, d.h. damit braucht mir niemand kommen ;) Ich hab jz 230000 km aufm Tacho, Flüssigkeiten passen alle...
Seite 2, 3, 4, 5 [Del Sol]von Tornado47
48
1.599
07.04.2010, 06:28
TP-Dene
ED9 läuft richtig schlecht (zu fett), kein Fehlercode
Hi Leute, mein CRX machte eines Tages von einem auf den anderen Tag Mucken. Abends gefahren, alles einwandfrei, abgestellt, morgens angeschmissen, klingt/riecht als liefe er viel zu fett. Seitdem ausprobiert: Alle Unterdruckschläuche,...
[CRX]von ehb
9
953
06.11.2008, 12:56
ED7 DOHC
ABS, kein fehlercode, aber trotzdem nicht normal :(
hallo mal wieder^^, ich schildere euch einfach mal meine bremsliche situation und ich hoffe ihr könnt mir wie immer schnell helfen... folgendes, ich habe jetzt im Juli wieder normal TÜV, mein größtes problem(neben den ganzen fehelenden eintragungen)...
[Civic 96-00]von da_bunky
8
1.139
24.06.2010, 08:25
da_bunky
 KühlmitteltemperaturSensor defekt (ED7) ? Aber kein Fehlercode (6) ! Kann jemand helfen ?
Hi, auto: ED7 '91er (110PS) habe heute mit Kumpel defekten Kühlerschlauch in der Nähe des KmtempeSenors getauscht(Motorblock links mittig). Danach alles Dicht aber Temperaturanzeige danach immer auf kalt (auch beim Schlüsseldrehen nach ...
[Civic bis 91]von blackjack123
4
1.532
31.07.2012, 17:53
lak33
Fehlercode 21 im Vtec bereich
Tach.. Was muss ich tun damit der Fehler weg ist? der fehler kommt erst bei ca 5500...
Seite 2, 3, 4, 5, 6 [Civic 92-95]von Cello
52
3.049
10.11.2011, 16:18
Cello
Fehlercode 3 bei Civic VTEC EG6
kennt jemand den Fehlercode 3 von Civic VTEC EG6 Fehlercode ist 3 :) danke schon...
[Civic 92-95]von hondav-tec
4
1.040
14.07.2005, 18:52
Kolbenring
© 2004 - 2026 www.maxrev.de | Communities | Impressum |