» D16Z5 hat keine Leistung

Kanes CRX ED9 *shinigami*Neuen Thread eröffnenNeue Antwort erstellenCRX EE8 Swap in ED9
<1
3>
AutorNachricht
Senior 

Geschlecht:
Fahrzeug: 2 ed9 ,ej9, honda crf 450 R)
Anmeldedatum: 28.08.2010
Beiträge: 318
Wohnort: 09548 Deutschneudorf


Meine eBay-Auktionen:
16.06.2016, 04:43
zitieren

Würde auch auf Sprit tippen...UnterdruckSchläuche sind alle dran bzw nicht defekt?

pn
Senior 

Name: Casey
Geschlecht:
Fahrzeug: CRX ED9 89
Anmeldedatum: 15.06.2016
Beiträge: 213
Wohnort: Großbeeren
16.06.2016, 13:33
zitieren

So, kurzer Zwischenstand.

Die Düsen habe ich abgedrückt, alle top! ...kein Nachtropfen.
Den Tank bekomme ich erstmal nicht raus, ebenso die Pumpe, das muss noch warten.

Ich habe mal 10l Super Plus in den Tank gekippt.
Weiterhin sahen mir die Unterdruckleitungen zum MAP etwas komisch angesteckt aus. Die Leitung vom MAP ging zur DK, das habe ich mal direkt zur ASB gelegt. So hat der jetzt eine separate Leitung.

Ein Bild bzw eine Anleitung zum MAP habe ich leider nicht im Netz gefunden.

Jetzt kommen gleich noch neue Kerzen und Spritfilter rein. Aber er läuft schonmal etwas besser, er ist schon giftiger geworden, aber das ist bei weitem nicht die Leistung des CRX!

Das Verschlucken bei Gasstößen im unteren Drehzahlbereich bzw Leerlauf ist weiterhin da, wenn auch schon etwas abgeschwächt.

Ich mach dann mal weiter.


pn
Premium-Member 
Name: Daniel
Geschlecht:
Fahrzeug: MC2
Anmeldedatum: 23.12.2006
Beiträge: 15532
Wohnort: Mühldorf a. Inn
16.06.2016, 13:54
zitieren

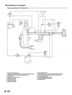
hier ...

 
06-007.jpg
06-007.jpg - [Bild vergrößern]


 
06-010.jpg
06-010.jpg - [Bild vergrößern]


pn
Elite 

Name: Justin
Geschlecht:
Fahrzeug: Opel
Anmeldedatum: 30.01.2016
Beiträge: 1456
Wohnort: Bernburg / Ludwigsfelde
16.06.2016, 14:24
zitieren

An den Tank kommst du vom Innenraum ran, sollte unter der Rücksitzbank sein oder so

pn
Senior 

Name: Casey
Geschlecht:
Fahrzeug: CRX ED9 89
Anmeldedatum: 15.06.2016
Beiträge: 213
Wohnort: Großbeeren
16.06.2016, 15:14
zitieren

Danke für die Anleitung!

Spritfilter und Kerzen sind neu, keine Veränderung am Verhalten. Dann werd ich mal die Bank ausbauen und die Pumpe rausnehmen.

Er nimmt schlecht Gas an, der Motor dreht viel zu träge hoch und auch sehr verzögert. Ich tippe das Pedal an und eine halbe Sekunde später spricht der Motor erst darauf an. Muss auch nochmal entlüften, hab das nicht sauber gemacht.

Danke für Eure Hilfe!


pn
Master 
Fahrzeug: Civic's + Zeherixs
Anmeldedatum: 29.10.2006
Beiträge: 8672
Wohnort: Aargau
16.06.2016, 19:53
zitieren

pumpe im tank geht nur von unten! innenraum geht nur shuttle und ab eg civic bei uns müssen die fangbänder ab und den ganzen rot*** da..

pn
Senior 

Name: Tobi
Geschlecht:
Fahrzeug: Honda CRX ED9 *zerlegt*; Civic EM2 Vtec
Anmeldedatum: 20.11.2009
Beiträge: 478
Wohnort: Markneukirchen
16.06.2016, 20:29
zitieren

Stimmt. Aber der Tank is recht schnell ausgebaut. Leitungen von oben unter Sitzbank ab und von unten nur die Fangbänder weg, schon kommt er sprichwörtlich geflogen. War kein großer Akt und recht schön machbar beim CRX. Hab schin schlimemre gebaut :D. Vorallem weil die Schrauben für die Fangbänder nach über 25 Jahren leicht aufgingen.

Grüße Tobi


pn
Elite 

Name: Justin
Geschlecht:
Fahrzeug: Opel
Anmeldedatum: 30.01.2016
Beiträge: 1456
Wohnort: Bernburg / Ludwigsfelde
16.06.2016, 21:13
zitieren

oh sorry...

pn
Senior 

Geschlecht:
Fahrzeug: 2 ed9 ,ej9, honda crf 450 R)
Anmeldedatum: 28.08.2010
Beiträge: 318
Wohnort: 09548 Deutschneudorf


Meine eBay-Auktionen:
17.06.2016, 04:41
zitieren

Mach doch vorn den Rücklauf ab da siehst ja ob genug Sprit kommt...Unterdruck könnte eine Ursache sein...Oder GasZug zu locker?Geht der Schieber bis rum?

pn
Senior 

Name: Tobi
Geschlecht:
Fahrzeug: Honda CRX ED9 *zerlegt*; Civic EM2 Vtec
Anmeldedatum: 20.11.2009
Beiträge: 478
Wohnort: Markneukirchen
17.06.2016, 11:01
zitieren

Naja es geht drum wie der Tank von inne aussieht und ob die Pumpe gammlig ist. Selbst wenn der Druck vorne voll anliegt, kann trotzdem durch verschmutzung Leistung fehlen. Ich würde trotz allem in den Tank einenBlick werfen und bei der Gelegenheit auch gleich den Tank (fals er noch gut ist) Und die Stellen der Karosserie über dem Tank konservieren und mit Rostschutz behandeln.

Grüße Tobi


pn
Gast 
20.06.2016, 20:27
zitieren

Mach mit!

Wenn Dir die Beiträge zum Thread "D16Z5 hat keine Leistung" gefallen haben oder Du noch Fragen hast oder Ergänzungen machen möchtest, solltest Du Dich gleich bei uns anmelden:



Registrierte Mitglieder genießen die folgenden Vorteile:
✔ kostenlose Mitgliedschaft
keine Werbung
✔ direkter Austausch mit Gleichgesinnten
✔ neue Fragen stellen oder Diskussionen starten
✔ schnelle Hilfe bei Problemen
✔ Bilder und Videos hochladen
✔ und vieles mehr...


Neuen Thread eröffnenNeue Antwort erstellen
<1
3>
Ähnliche BeiträgeRe:
Letzter Beitrag
CRX ED9 hat keine Leistung
Hallo, ich bin neu hier und hätte mal eine Frage. Ich hoffe mir kann evtl. jemand weiterhelfen. Habe mir gestern einen CRX geholt, motor läuft soweit normal, zu mindest im Leerlauf. Nun bin ich eingestiegen in das Teil und gefahren. 1. Gang normnal,...
Seite 2, 3 [CRX]von Maddinla
20
1.321
08.04.2010, 23:26
Maddinla
keine leistung ep3!
hi leute! ich habe das problem seit ewigkeiten schon.....habe immer so ein blödes ruckelt beim schalten oder bessergesagt verschlucken bei meinen ep3! und habe eine supersprint race anlage drauf ab kat seit paar wochen....am anfang war alles super auto...
Seite 2, 3, 4, 5 [Type-R]von type_r_ziggy
47
3.540
19.08.2010, 22:41
type_r_ziggy
Keine Leistung
Hi Leute, heute bin ich mal für ein paar Km auf die Bahn. Volle Pulle, aber da er kalt war, natürlich ohne hohe Drehzahlen. Als er dann warm wurde/war, ging ohne irgendeine Meldung ect die Leistung in den Keller. Er lief danach wie wenn der Turbo...
von Insi_99
17
4.733
24.07.2012, 18:09
Insi_99
keine Leistung
Hallo an alle, habe da mit meinem Insignia A 2.0 cdti das Problem das er nur ca 3000 touren dreht und keine Leistung mehr hat. habe bereits das AGR Ventiel gereinigt weil das vor länger Zeit schon mal klemte aber das war es diesmal Leider nicht. Es ist...
von Jjensi
3
875
20.08.2020, 20:42
opelfahrer
keine leistung?
Moin, hab i.wie das Gefühl das mein sol nicht mehr so zieht wie vorher. Bin ca. 2 Wochen mit na defekten lambda gefahren, sprit Verbrauch war unglaublich hoch! Kann es sein das mein kat jetzt zu sitzt? Zahnriemen wurde vor kurzem auch gewechselt, oder...
[Del Sol]von Matze1991
2
394
23.01.2015, 18:42
Matze1991
keine Leistung
Hallo zusammen, Ich finde das mein Insignia 2.0 cdti mit 160 Ps zwischen Leerlaufdrehzahl und ca 1700 viel zu wenig leistung hat. Wenn ich zb im 3. Gang bei 1300 u fahre und das Gaspedal voll durchtrete passiert da nix! Das habe ich bei Opel bemängelt...
von scheidi-do
12
1.339
06.08.2015, 19:09
scheidi-do
EJ9 Keine Leistung mehr !
Anfangs hatt ich das Problem das er des öfteren kein Gas mehr angenommen hatt ... also normal fahren aufs Gas und nix is passiert ... vom Gas runter und wieder drauf und er ging wieder los. Jetzt ist es so als wen ich nen 50Ps auto fahren würd kommt...
Seite 2 [Civic 96-00]von Marouk
13
2.340
13.09.2006, 09:54
Marouk
EG3 keine Leistung,stottert
Hallo Meine EG3 stand jetzt 9 Jahre in einer Scheune.Hab ihn wieder reaktiviert.Er ist auch angesprungen... alles super.Jetzt folgendes Problem.Bei betriebswarmen Zustand des Motors hat er im unteren Drehzahlbereich keine Leistung,dreht nicht hoch und...
[Civic 92-95]von cybertuns
8
432
13.06.2014, 18:08
RH.onda
Crx hat bei volllast keine Leistung
Guten tag, habe folgendes Problem mein crx hat unter volllast keine Leistung mehr sonst läßt er sich ganz normal fahren...wenn ich ihn höher drehen lasse kommt er irgendwie nicht voran...es fühlt sich so an als hätte ich einfach einen kleineren Motor...
Seite 2, 3, 4 [CRX]von stepsel
31
1.380
07.10.2015, 17:36
stepsel
ED6 keine Leistung bergauf
Hallo, an die ED6 Kenner hier ! ED6 1,5er 90Ps . 240.000km . Er springt super gut an . Guter ruhiger Leerlauf Geht im unteren Drehzahlbereich ganz brav. stabiler Leerlauf. Auch sonst keine Fehlzündungen.( Ausser bei konstant 3000 im Leerlauf , gibts ab...
Seite 2 [Civic bis 91]von ed6city
12
750
03.09.2012, 13:44
ed6city
© 2004 - 2025 www.maxrev.de | Communities | Impressum |