Forum
»
Picture Collection
»
Wd1 14 Bild
Wd1-14.jpg
Forum-Code:
[url=http://www.maxrev.de/wd1-14-bild-174559.htm][img]http://www.maxrev.de/files/2010/07/thumbs/t_wd1_14.jpg[/img][/url]
Details:
Author:
fischbox
Posted:
10.07.2010, 06:26
Description:
Filesize:
266,21 KB
Viewed:
497 time(s)
Comment this Picture:
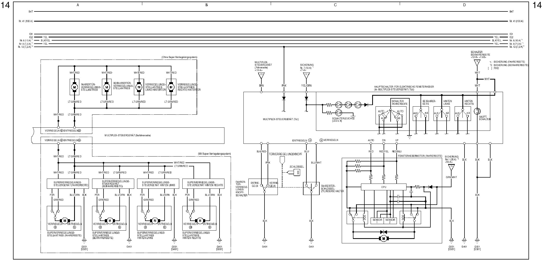
stromfplan cg8
4 Antworten
© 2004 - 2026 www.maxrev.de (dd482) |
Communities
|
Impressum