» Unterbodenbeleuchtung- Schaltung

Schweinwerfer reflektion?Neuen Thread eröffnenNeue Antwort erstellenKlimakompressor Dichtung
AutorNachricht
Junior 

Name: Henry
Geschlecht:
Fahrzeug: Civic EJ9 @ 90 PS
Anmeldedatum: 01.03.2006
Beiträge: 85
Wohnort: sachsen
06.02.2012, 09:10
zitieren

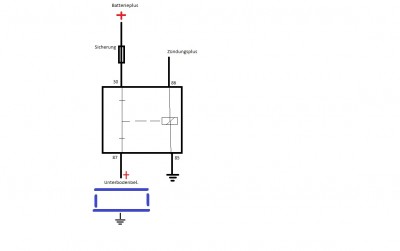
hallo, wollte mal fragen ob die zeichnung so richtig ist mit dem anschließen, dass die UBB aus geht wenn man die zündung an schaltet. müsste ja entgegengesetzt sein wie das tagfahrlicht oder? bei der 30 kann man ja noch ein schalter ran bauen, aber der controller hat ja on/off

 
UBB_Schaltung.jpg
UBB_Schaltung.jpg - [Bild vergrößern]


pn aim
Elite 
Geschlecht:
Fahrzeug: CRX ED9
Anmeldedatum: 16.03.2011
Beiträge: 1067
06.02.2012, 10:08
zitieren

Naja, ob´s jetzt die Anschlüsse sind weiß ich jetzt nicht, musst halt nen Öffner wählen.

pn
Gast 
06.02.2012, 10:08
zitieren

Mach mit!

Wenn Dir die Beiträge zum Thread "Unterbodenbeleuchtung- Schaltung" gefallen haben oder Du noch Fragen hast oder Ergänzungen machen möchtest, solltest Du Dich gleich bei uns anmelden:



Registrierte Mitglieder genießen die folgenden Vorteile:
✔ kostenlose Mitgliedschaft
keine Werbung
✔ direkter Austausch mit Gleichgesinnten
✔ neue Fragen stellen oder Diskussionen starten
✔ schnelle Hilfe bei Problemen
✔ Bilder und Videos hochladen
✔ und vieles mehr...


Neuen Thread eröffnenNeue Antwort erstellen
Ähnliche BeiträgeRe:
Letzter Beitrag
ABE für unterbodenbeleuchtung
[URL=http://cgi.ebay.de/ABE-fuer-blaue-UNTERBODENBELEUCHTUNG-VERSANDFREI_W0QQitemZ320033938183QQihZ011QQcategoryZ57317QQrdZ1QQcmdZViewItem]http://cgi.ebay.de/ABE-fuer-blaue-UNTERBODENBELEUCHTUNG-VERSANDFREI_W0QQitemZ320033938183QQihZ011QQcategoryZ57317QQr...
[StVZO & TÜV]von kiLLiQ
7
2.283
06.11.2006, 23:33
EJ 2 Mit MAGNAFLOW
 unterbodenbeleuchtung
moin hat jemand ne ubb verbaut? wenn ja welche also firma und art der leuchte neon oder katode oder led oder so...?! wie geschalten?(extra schalter oder türkontakt) bilder anregungen:-P will auch eine habne natürlich nur für show zwecke...
Seite 2, 3 [Allgemein]von ej2_fan
24
1.064
28.03.2010, 19:42
ej2_fan
ej2 unterbodenbeleuchtung
Hallo schon ma wer unter einen ej2 Ne ubb eingbaut? Falls ja wo könnte ma Sie vorn und befestigten?is Ne led...
[Civic 92-95]von ej2_fan
6
327
27.01.2012, 15:34
CRASHKID1102
EP2 mit Unterbodenbeleuchtung
Hallo Leute Hat jemand villeicht fotos oder Links eines schwarzen EP2er mit blauer unterbodenbeleuchtung??? Möchtes mir mal anschauen und wahrscheinlich auch kaufen. Hat jemand erfahrung mit der Montage?? Danke im voraus...
Seite 2 [Civic 01-05]von kefila
10
640
05.09.2008, 08:53
phen
UV LED Unterbodenbeleuchtung
Für super geile Fahrstreifenwechsel 8) Z.B. je Seitenschweller 10 Stück davon. Gibts auf eBay. Wenn man über die Straße fährt sieht man nix. Sobald man aber einen Fahrstreifenwechsel vornimmt, leuchtet dieser plötzlich neon-blau auf. Also ich...
Seite 2 [Civic 92-95]von HondaJay
19
2.227
06.06.2007, 10:29
Casiopire
Unterbodenbeleuchtung
Hi @ all ! Hab anlässlich dem heiß begehrtem Film Tokyo Drift meine Unterbodenbeleuchtung dran gemacht,weil bei uns hier in der Stadt so ein kleines Light-event war. Nun ist es so das ichs eigentlich wieder abmontieren wollte --- aber da es mir ganz gut...
Seite 2, 3 [StVZO & TÜV]von -Da-henxt-
26
2.685
04.12.2006, 10:32
skamp
Unterbodenbeleuchtung
servus! Um zum thema zu kommen, ich habe vor mir grüne unterbodenbeleuchtung an meinen ed9 zu bauen! Ich finde aber nur diese LED Leuchtröhren! das sind aber so wie ich das sehe punktleuchten! ich möchte aber gerne ein gleichmäßiges licht wie bei...
Seite 2, 3 [CRX]von tmaey
20
1.161
11.05.2009, 12:48
tmaey
 Unterbodenbeleuchtung
Mal ne allgemeine Frage: Darf man die Unterbodenbeleuchtung am Auto anbringen? Die einen sagen, man darf, aber einschalten nur im Stand mit Zündung aus! Die anderen sagen, man darf sie überhaupt nicht anbringen! Was stimmt denn...
Seite 2, 3, 4, 5, 6, 7 [Civic 96-00]von MarcusS
60
7.562
23.12.2007, 09:09
Care
Unterbodenbeleuchtung
hi hab da ma ne frage ich hab von mehreren leuten gehört man bekommt ne unterbodenbeleuchtung als einstiegspeleuchtung eingetragen, wenn man sie so schaltet das sie nur geht wen die tür auf is ????? stümmt das ??????? wer weiß was lg...
Seite 2 [StVZO & TÜV]von xdxdx
10
895
29.04.2009, 06:48
Ej2 VTi
 unterbodenbeleuchtung
hey leute hab mal ne frage. es gibt diese röhren und diese led leisten. welche sind besser?vor und...
Seite 2 [Civic 92-95]von Maverick91
19
732
20.03.2011, 12:11
Maverick91
© 2004 - 2026 www.maxrev.de | Communities | Impressum |