Forum
»
Picture Collection
»
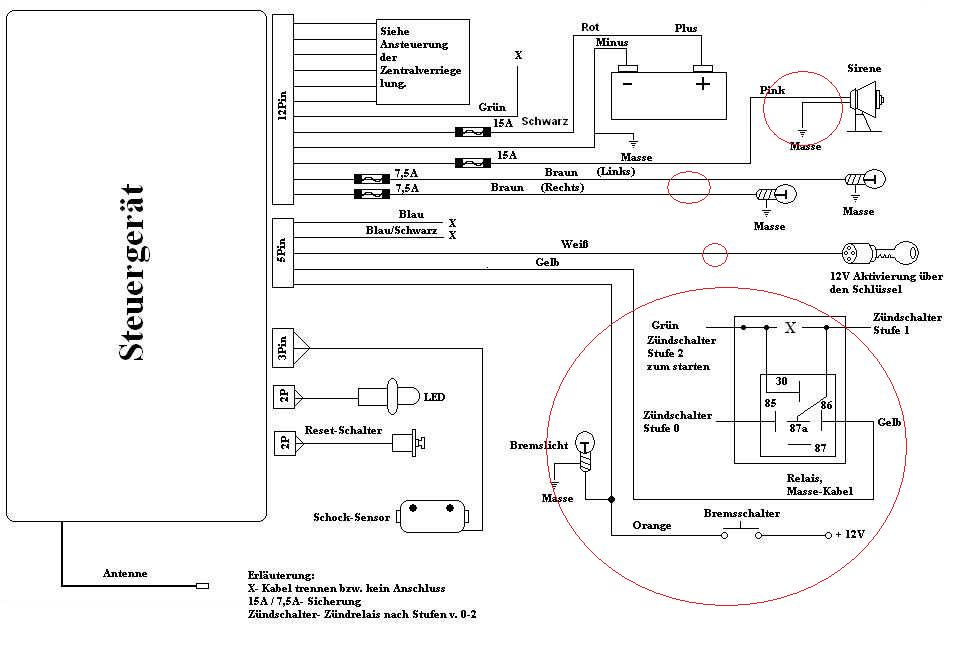
das ist der anschlussplan Bild - Unbenannt
Unbenannt.jpg
Forum-Code:
[url=http://www.maxrev.de/unbenannt-bild-136283.htm][img]http://www.maxrev.de/files/2009/10/thumbs/t_unbenannt_1254492494.jpg[/img][/url]
Details:
Author:
rushenplaya
Posted:
02.10.2009, 14:08
Description:
das ist der anschlussplan
Filesize:
71,93 KB
Viewed:
790 time(s)
Comment this Picture:
alarmanlage..
16 Antworten
© 2004 - 2026 www.maxrev.de (dd482) |
Communities
|
Impressum