Forum
»
Picture Collection
»
Power Windows Bild
Power Windows.JPG
Forum-Code:
[url=http://www.maxrev.de/power-windows-bild-205551.htm][img]http://www.maxrev.de/files/2011/01/thumbs/t_power_windows.jpg[/img][/url]
Details:
Author:
Jeti
Posted:
15.01.2011, 20:10
Description:
Filesize:
93,49 KB
Viewed:
416 time(s)
Comment this Picture:
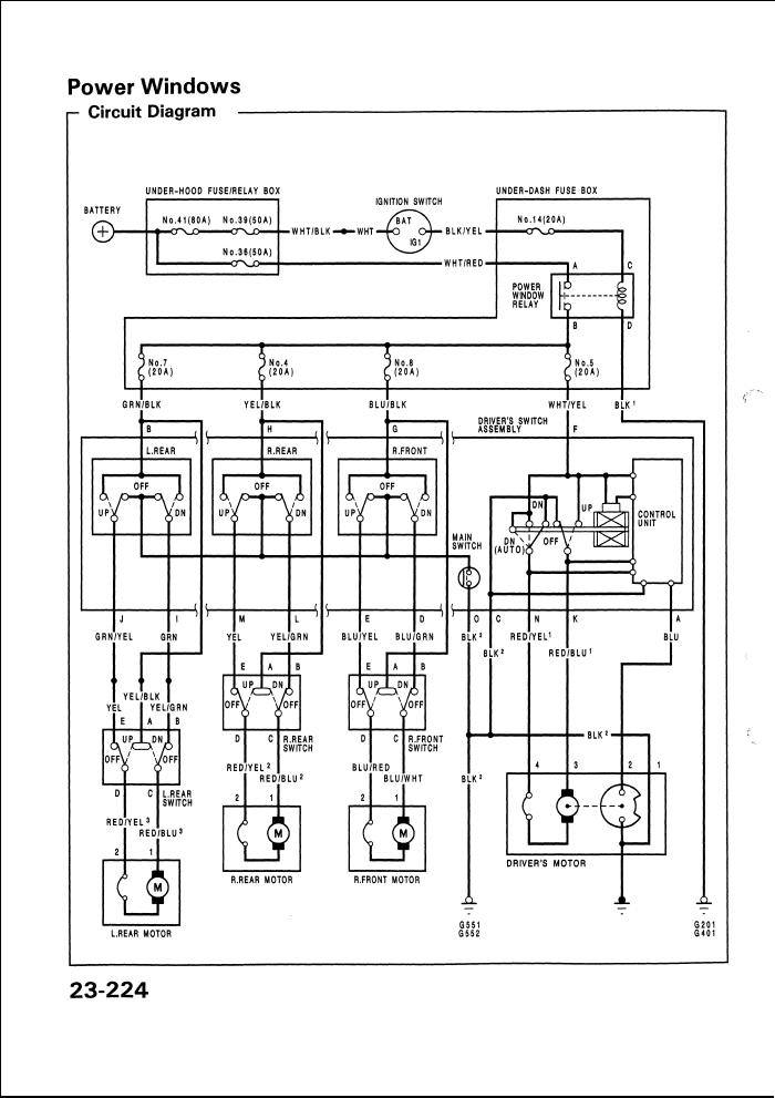
Schaltplan und Relaiplan für EFH
5 Antworten
© 2004 - 2026 www.maxrev.de (dd482) |
Communities
|
Impressum