» Kombischalter für Fensterheber reparieren

Knacken beim Lenken INFONeuen Thread eröffnenNeue Antwort erstellenHallöchen, FRV Wintereifen zu Verkaufen!!
<1
AutorNachricht
Beobachter 
Anmeldedatum: 24.08.2014
Beiträge: 4
20.06.2015, 12:11
zitieren

Nein, nur der Heber auf der Fahrerseite, darum die Idee mit einer Extrasicherung.

pn
Premium-Member 

Name: Andy
Geschlecht:
Fahrzeug: 2005er FRV ;2009er Suzuki Swift ; 1997ger CQP *R.I.P.* ;1995ger CHB *sold* ; 2004er CQP FL *RIP*
Anmeldedatum: 13.02.2005
Beiträge: 7044
Wohnort: Cookie Monsters House, Sesame Street
20.06.2015, 18:47
zitieren

Wenn möglich, bau das Bedienteil noch mal aus und mess es durch.
Ebenfals den Stecker durchmessen


pn
Beobachter 
Anmeldedatum: 24.08.2014
Beiträge: 4
20.06.2015, 20:37
zitieren

Nun, ich hab ja beide Schaltereineheiten noch, beide haben die gleiche Fehlersymptomatik, also schließe ich das eigentlich aus, sonst würde es wenigsten mit den Türenspezifischen Schaltern funktionieren.
Was sich da für mich aufdrängt, ist, das der Schaltkreis für die 3 Fensterheber, ausser des Fahrerfensters, extra abgesichert ist, ergibt einen gewissen Sinn, weil man die per Schalter sperren kann.


pn
Veteran 

Anmeldedatum: 02.01.2007
Beiträge: 588
21.06.2015, 12:23
zitieren

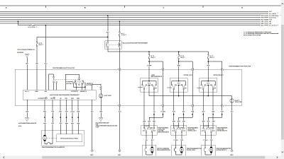
Hallo ich hänge dir mal den Schaltplan an.
Da ist zu sehen,das es da eine Sich. Nr. 4 gibt.Diese sichert ein Relais inkl. der restlichen 3 Fensterheber ab.
Weiterhin hängt da noch der Hauptschalter bzw. die Sperre ,wenn der nicht geht auch Ausfall der 3 FH möglich.
Der Fahrerheber hat einen anderen Stromkreis und Sicherung.
Da du die Schaltereinheit schon getauscht hast ist der Fehler entweder das FH Relais oder Sich 4 oder die Verkablung bzw. Stecker.

Frage von mir:
Wo ist die Elektronik für den FahrerFH kommt man da leicht ran?
Meine Automatik spinnt manchmal beim Auf und ab betätigen des Schalter,der FH zuckt an und ein Relais klickt schnell und mehrmals.manuell geht es einwandfrei.


 
Zwischenablage02.jpg
Zwischenablage02.jpg - [Bild vergrößern]


pn
Premium-Member 

Name: Andy
Geschlecht:
Fahrzeug: 2005er FRV ;2009er Suzuki Swift ; 1997ger CQP *R.I.P.* ;1995ger CHB *sold* ; 2004er CQP FL *RIP*
Anmeldedatum: 13.02.2005
Beiträge: 7044
Wohnort: Cookie Monsters House, Sesame Street
21.06.2015, 17:47
zitieren

Ich hatte schon befürchtet, das die Schaltung mit über das dusselige Comfort-Steuergerät geht ...
Das wäre teuer geworden ...


pn
Beobachter 
Anmeldedatum: 24.08.2014
Beiträge: 4
27.06.2015, 06:01
zitieren

Das hilft mit schon mal weiter, ich checke die Sachen mal bei Gelegenheit und schaue was das ist.

pn
Gast 
27.06.2015, 06:01
zitieren

Mach mit!

Wenn Dir die Beiträge zum Thread "Kombischalter für Fensterheber reparieren" gefallen haben oder Du noch Fragen hast oder Ergänzungen machen möchtest, solltest Du Dich gleich bei uns anmelden:



Registrierte Mitglieder genießen die folgenden Vorteile:
✔ kostenlose Mitgliedschaft
keine Werbung
✔ direkter Austausch mit Gleichgesinnten
✔ neue Fragen stellen oder Diskussionen starten
✔ schnelle Hilfe bei Problemen
✔ Bilder und Videos hochladen
✔ und vieles mehr...


Neuen Thread eröffnenNeue Antwort erstellen
<1
Ähnliche BeiträgeRe:
Letzter Beitrag
blinkhebel bzw kombischalter
Hallo, brauche hilfe!Immer wenn ich mein licht einschalten will fliegt die sicherung durch von der innenraumbeleuchtung!Wenn ich nur blinke geht alles scheibenwischer auch aber sobald ich mein licht einschalten will knallt die sicherung von der...
[Civic 92-95]von *Honda_Style*
4
838
06.01.2007, 09:09
Lightning
 GFK reparieren
Also ich habe ein GFK Bodykit welches vom Vorgänger am Flügel leichte Risse hat am Schweller leichte Risse und an der Front eine schon etwas größere Delle. Nun interessiert es mich ob man das wieder reparieren kann, so das man es nach dem lackieren des...
Seite 2, 3 [Spachteln, Schleifen & Lackieren]von Ghostschneider
20
1.511
27.01.2013, 20:22
keve112
P30 ECU reparieren
Suche jemanden der meine P30 ECU ausm EG6 reparieren kann. Benzinpumpe bekommt keinen Strom, mit einer anderen ECU läuft alles ohne Probleme. Gibts hier jemanden der sich das zu traut?...
[Suche]von vtec_power
6
234
21.12.2025, 18:06
EarL_VTEC
 GFK reparieren
Ich konnte in der Suche nix finden :no: Aber ich hab ja dummerweise meine Spoilerlippe etwas kaputt gemacht :wall: Wie krieg ich sowas hin? Gebt mal Tipps. Ich weiß, daß es so Matten gibt, die man mit Spachtelmasse oder GFK-Spachtel dann reparieren...
Seite 2 [Civic bis 91]von Mattes
11
5.349
16.02.2006, 10:23
Mattes
KW Gewindefahrwerk reparieren?
Hallo hab mal ne frage an euch und zwar was kann sein wenn bei dem gewindefahrwerk von kw sich die vorderen dämpfer nicht mehr ganz ausfahren und was würden die ersatzteile kosten und welche teile bräuchte...
[Civic 01-05]von Manu_Prelude
5
2.671
16.07.2009, 20:18
krumpy
Carbon reparieren
Sorry wenn ich hier im falschen Bereich bin wusste aber nich wo ich das sonst rein posten soll. Und zwar geht es um folgendes, eine Carbonlippe mit abplatzer/risse im Klarlack lässt sich das selbst reparieren oder muss ich da inne...
Seite 2 [Spachteln, Schleifen & Lackieren]von SoliD1990
17
7.106
10.07.2012, 14:21
not so Fani
Felge reparieren
Hay hab ne 3-teilige Felge auf meinem Crx 15" 8j et 15 marke Gotti. die hat im geschmiedeten Stern nen Riss. Hmm jetzt wollt ich mal fragen was ich da machen kann, außer ne Neue kaufen was sehr schwer ist, da es die fast nicht zu kaufen...
[Del Sol]von white-me
3
527
19.06.2011, 17:05
Berne
 Netzwerk reparieren?
Also folgende Situation, Meine mum hat bei sich Zuhause halt n normales WLAN Netzwerk und das gut jetzt einfach irgendwie nicht mehr... Kenn mich damit halt leider 0 aus. Folgende Sachen hat sie dran: Kabel aus der Wand -> t-dsl Splitter -> Telefon...
[Computer & Spiele]von Michi89x
8
302
15.03.2014, 09:25
mgutt
Endstufe Reparieren ???
Endstufe Reparieren ??? meine pyle ist hin nun muss ne neue her , wenn einer will kann es sie ersteigern -- EBAY-- Da is n...
von gaku320i
6
1.333
17.03.2006, 07:37
gaku320i
ABS Pumpe reparieren?
Hallo, ich fahre einen Prelude BB3 Bj.93. Das Fahrzeug wurde die meiste Zeit nur Kurzstrecken gefahren und hat daher erst 68000Km runter. Eines Tages leuchtete wie schon zweimal zuvor die ABS Leuchte auf. Ich nahm an, dass wie zuvor die ABS Sensoren...
[Prelude]von 2ndcharly
4
5.732
10.03.2006, 15:45
2ndcharly
© 2004 - 2026 www.maxrev.de | Communities | Impressum |