» Civic 96-00 Stammtisch

Civic 2000 MB2 D14Z4 Fastback (UK) Rear Trailing Arm BushingsNeuen Thread eröffnenNeue Antwort erstellenEJ6 1998 Krümmer-Frage
<123543544
546547102710281029>
AutorNachricht
Premium-Member 
Anmeldedatum: 07.02.2010
Beiträge: 5314
10.07.2012, 23:53
zitieren

BaG
Edit;
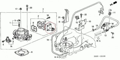
Weiß einer wie das Ding hier heist, was es machen sollte & wie :?: (Pfeil)
Bei mir Rattert das ding extrem im stand wärend der faht höre ich es nicht. Ist wohl ein Relais aber das es so dermaßen schnell anzieht & wieder abfällt :hmm:
http://www.hondapartsnow.com/Page_Product/PartDetail.aspx?catalogID=11&productID=4&yearID=14&doorID=1&gradeID=6&areaID=2&transmissionID=3&originID=-1&colorLabelIDs=-1&colorLabelID=-1&sectionID=1&idAndImageID=1703%201236767&isBigPicture=False&pageName=Throttle%20Body%20%28SOHC%29

Part 11?
Purge Control Solenoid Valve..keine Ahnung wie es richtig übersetzt heißt oO
Spülluft-Kontroll-Magnetventil? xD


pn
Elite 

Name: Matze
Geschlecht:
Fahrzeug: AR-147 / EJ9 *SOLD*
Anmeldedatum: 18.01.2011
Beiträge: 1199
Wohnort: Hanne
11.07.2012, 06:44
zitieren

Das könnte es sein :yes: gleich mal in der Pause gucken :)
Warum habe ich das nur immer übersehen :hmm: liegt bestimmt da dran das es nicht eingerahmt ist :D

€;
Nein das ist es nicht, ich Blötmann hab mich total Verguckt :roll: es ist das teil Nummer 2 :roll:
Auf der Steckerseite des teils, Klackerts bei mir. vllt. mal reinigen das müste ja das ivec oder ivac oder wie das hieß sein oder :?:


 
image.php.jpg
image.php.jpg - [Bild vergrößern]


 1x  bearbeitet
pn
Gesperrt 
Anmeldedatum: 30.09.2008
Beiträge: 14034
11.07.2012, 08:39
zitieren

Müsste leerlaufregler sein.

pn
Gesperrt 
Anmeldedatum: 28.08.2011
Beiträge: 2377
11.07.2012, 09:25
zitieren

wie bekomm ich am besten die kork-ansaugbrückendichtung (d16) ab ohne alles zu verkratzen?

pn
Elite 

Name: Matze
Geschlecht:
Fahrzeug: AR-147 / EJ9 *SOLD*
Anmeldedatum: 18.01.2011
Beiträge: 1199
Wohnort: Hanne
11.07.2012, 09:36
zitieren

RGTMüsste leerlaufregler sein.

Das würde dann vielleicht erklären warum neuerdings im Leerlauf die Drehzahl etwas schwingt.


pn
Trainee 
Geschlecht:
Fahrzeug: Civic EJ9 1.4i Comfort
Anmeldedatum: 20.06.2012
Beiträge: 42
11.07.2012, 09:53
zitieren

Noch mal zum Thema Frontschürze...

Wollte gerade unten die 2 10er Schrauben rausdrehen und wie es der Teufel will hab ich Nummer 1 schon abgedreht :wall:

Hat jemand eine Idee wie ich das Stück Schraube aus der Karosserie rausbekomme?


pn
Premium-Member 

Name: Basti
Geschlecht:
Fahrzeug: 1999 Civic EK3 Hatchback
Anmeldedatum: 24.08.2009
Beiträge: 3741
Wohnort: Schermbeck
11.07.2012, 10:36
zitieren

Bist du dir sicher?

Die Schrauben sehen immer wie abgerissen aus.
Ist nur ein kurzes Gewinde mit 'ner Kerbe drin. Warum auch immer. Habe beim ersten mal auch gedacht, ich hätte die abgerissen.


pn
Trainee 
Geschlecht:
Fahrzeug: Civic EJ9 1.4i Comfort
Anmeldedatum: 20.06.2012
Beiträge: 42
11.07.2012, 11:59
zitieren

Soweit ich das sehen konnte steckt noch ein Stück Schraube in der Karosserie drin.

Womöglich werde ich das Stück Schraube nur noch aufbohren können. :cry:


pn
Gesperrt 
Anmeldedatum: 30.09.2008
Beiträge: 14034
11.07.2012, 18:26
zitieren

Lass weg, hält auch. Bin auch jahrelang mit nur einer schraube rumgefahren.

pn
Trainee 
Geschlecht:
Fahrzeug: Civic EJ9 1.4i Comfort
Anmeldedatum: 20.06.2012
Beiträge: 42
11.07.2012, 19:32
zitieren

Ich werde das auch erstmal lassen. An der anderen Schraube hab ich´s gar nicht erst probiert, denke mal die wird dann auch einen Abgang machen.
Wenn ich mal Zeit finde versuche ich mal einen Linksdrehbohrer aufzutreiben um das andere Stück Schraube rauszubekommen.

Hatte heute durch Zufall noch mitbekommen, das bei der Motorhaube auf der linken Seite am Rand unter der Art Dichtmasse der Rost am arbeiten ist. :o

Neija habs dann soweit wie es ging den Rost abgeschliffen und Grundierung draufgepinselt


pn
Gast 
31.08.2025, 09:45
zitieren

Mach mit!

Wenn Dir die Beiträge zum Thread "Civic 96-00 Stammtisch" gefallen haben oder Du noch Fragen hast oder Ergänzungen machen möchtest, solltest Du Dich gleich bei uns anmelden:



Registrierte Mitglieder genießen die folgenden Vorteile:
✔ kostenlose Mitgliedschaft
keine Werbung
✔ direkter Austausch mit Gleichgesinnten
✔ neue Fragen stellen oder Diskussionen starten
✔ schnelle Hilfe bei Problemen
✔ Bilder und Videos hochladen
✔ und vieles mehr...


Neuen Thread eröffnenNeue Antwort erstellen
<123543544
546547102710281029>
Ähnliche BeiträgeRe:
Letzter Beitrag
 Civic Stammtisch 06-....
hey ihr da, ich mach jetzt mal einfach einen Stammtisch für die neuen Civics auf Ich freu mich wenn sich wenigstens ein paar melden, mit den Jahren wird das sicher hier an Zulauf gewinnen. Also haut eifrig in die Tasten...
Seite 2, 3, 4, 5, 6, 7 [Civic 06-11]von eh6tassi
68
2.825
21.10.2015, 11:27
Ottimoto Racing
 Civic 92-95 Stammtisch
Ich hab gleich schon das erste Problem... Hab bei meinem Eg die Verkleidung vom Schiebedach abgemacht und dann sind mir die beiden Clipse verloren gegangen. Wollte die neu bestellen.. gibt es aber net mehr.... Jetzt weiss ich net wie ich die...
Seite 2, 3, 4, ... 1854, 1855, 1856 [Civic 92-95]von afwJan
18.552
510.299
09.02.2025, 09:32
Patrick.B
 Civic/CRX EC/ED/EE Stammtisch
Hallo EC/ED/EE Fahrer, ich dachte mir ich eröffne jetzt mal den längst überfälligen Stammtisch. Wünsche euch schon mal viel Spaß. Haut in die Tasten....
Seite 2, 3, 4, ... 206, 207, 208 [Civic bis 91]von &weida?
2.077
50.781
04.10.2025, 11:42
PanicMan
 CIVIC Stammtisch`7 Generation (EP/EM/EU/EV)
Hoffe es wird fleißig gepostet damit die "Vorstellungs-Thread`s nicht zu sehr voll gespamt werden. Hier kann man auch über kleinere Veränderungen plaudern oder/und Erfahrungen über unsere Fahrzeuge austauschen. Des weiteren kann an diesem...
Seite 2, 3, 4, ... 4065, 4066, 4067 [Offtopic]von *iceman
40.663
132.840
20.09.2017, 13:46
Chalk
 Del Sol Stammtisch
naja...da es für die civics auch sonen netten stammtisch gibt hab ich mir gedacht, ich mach auch mal einen für den del sol auf. ....hier können die fahrer quatschen,tratschen,erfahrungen austauschen & so weiter & sofort...
Seite 2, 3, 4, ... 12214, 12215, 12216 [Del Sol]von silent
122.153
1.026.258
29.09.2025, 06:43
Has0r
 CRX-Stammtisch (ED9, EE8)
Moin, :hi: Ich habe mal gedacht ich gründe nen CRX-Stammtisch :D Zum austauschen, lachen usw. Vielleicht lernt man ja wieder paar neue Leute kennen :yes: :D Ich mache einfach mal nen Anfang, ich heiße Marvin und komme aus Region...
Seite 2, 3, 4, ... 40, 41, 42 [CRX]von mbboy
412
10.131
05.08.2022, 15:17
mahoma30
 Prelude Stammtisch
Dachte, dass wenn die "Civicianer" einen Stammtisch haben, können die "Preludianer" das auch. Oder was meint ihr?...
Seite 2, 3, 4, 5 [Prelude]von Lude_WEN
42
2.139
21.10.2015, 11:26
Ottimoto Racing
 Stammtisch RPM-Department from BS;WOB;GF;PE;WF;CE;GS;OHA;SZ
Hallo. RPM-DEPARTMENT ist eine Interessengemeinschaft von drehzahlsüchtigen Japan-Autofahrern (überwiegend Honda) aus den Landkreisen: GF, BS, CE, PE, SZ, CE, GS, OHA,... -Fährst Du einen Japaner, bist stolz drauf? -Stehst auf Tuning und Modden (egal...
Seite 2, 3, 4, ... 1806, 1807, 1808 [RPM-Department]von mbboy
18.077
248.523
19.11.2018, 17:03
Archer
 Sedan Stammtisch
Hey, die Limo geht hier ja voll unter. Gibt es hier echt niemanden mehr der einen Sedan...
[Civic 96-00]von Dohctor
8
375
03.04.2021, 06:17
Daniel1711
Oldschool Stammtisch
Da ich ja einige Zeit inaktiv war wär’s interessant zu wissen was mit den ganzen leuden hier passiert is ^^ Wo is der frank, ronny, mille, bam, electro und wie se alle heißen? Lasst uns den längsten stammtisch-fred der welt starten :) OLDSQL...
[Offtopic]von DonMario
9
512
28.03.2012, 18:12
*RaZoR*
© 2004 - 2025 www.maxrev.de | Communities | Impressum |