» Ben`s EJ2 / Schlechte Neuigkeiten

EG Kupplungsnehmer tauschen?Neuen Thread eröffnenNeue Antwort erstellenBrauche neuen Sport-MSD, welcher Durchmesser am sinnvollsten für vorhanden AGA?
<1231718
2021424344>
AutorNachricht
Veteran 

Geschlecht:
Fahrzeug: Civic EJ2
Anmeldedatum: 29.09.2011
Beiträge: 718
Wohnort: Steiermark
17.06.2016, 16:25
zitieren

Alles gut gegangen? :D

pn
Premium-Member 

Name: Benjamin
Geschlecht:
Fahrzeug: Daily: Accord CW3 Type S, Fun: Civic EG9
Anmeldedatum: 21.08.2014
Beiträge: 1131
Wohnort: Österreich - Tirol
17.06.2016, 18:21
zitieren

Ne Leider garnicht



Positiv:

Komplette Karre ist Absolut im Top Zustand was die Technik/Mechanik betrifft.

Aussage vom Prüfer "Selten ein Auto gesehen wo Technisch alles gepasst hat ohne einen Mangel"

Ich dachte wirklich das durch die Lange Standzeit die ganzen Buchsen und sonnstige Teile einfach Tot sind.. Aber das da einfach nix war, hat mich schon fast Schockiert xD

Heute nach dem Termin Direkt mit den Überstellungskennzeichen nachhauße gefahren, Absolut Top!!!

Im Vergleich zu nem Guten Freund seinem EJ2 geht meiner ums Ar***lecken besser :D obwohl seiner ne SRS R60, 4-2-1 usw hat.
Ich denke das liegt aber eher an der Laufleistung die mein Motor hat. Seiner hat schon den zweiten Austausch Motor mit derzeit 180Tsd. KM :D :D

Meine 30MM H&R Federn sind ein bisschen Härter als die Normalen Standart Federn und er liegt auch deutlich besser auf der Straße. War zu erwarten! Aber dennoch angenehm zu Fahren im Vergleich zu nem TA-Taugenix was vorher verbaut war.


Negativ:

Die Karosserie ist wie befürchtet recht im Ar*** Typische Rostprobleme Schweller, Radläufe und paar kleine Stellen.

Genau deshalb gabs eben auch keinen TÜV/Pickerl :no: :no:

Nun heißt es wieder Sparen!!!

In 2 Monaten sofern die Kohle dann schon vorhanden ist, kommt das Auto nun Fix auf Serbien. Dort wird er komplett Entrostet und Neu Lackiert in Granada Schwarz.
Kostet mich zwar nochmals ne Stange, aber is um die hälfte günstiger als hier bei uns.
Denke das ist für die Karosserie die beste und Günstigste Variante und ich muss mich nicht darum kümmern.

Kumpel der das alles Managed kommt von Serbien und macht dann alles andere. Hauptsache ich hab die Karre dann wieder und dann auch Karosserietechnisch im Einwandfreiem Zustand.

---------------------------------------------------------------------------------

Die Power Folding Mirrors die ich schon heiß erwarte werden dann sobald das Auto weg ist, erstmal einer Kompletten Elektronischen Kur unterzogen. Also zumindest der Kabelstrang wird komplett ausgepinnt und neu gezogen! Weiß hier rein zufällig jemand ne Seite wo man verschiedenste Farben an Kabel bekommt? Also Rot/Blau, Gelb/Grün usw..??

Da im Paket der Spiegel auch ein Zuführrohr aus Edelstahl für meinen MagnaFlow M6 is werd ich dieses dann auch gleich anschweißen lassen.

Zudem sollten dann auch bald meine neuen Scheinis mit eLWR kommen. Glaub das ich diese öffnen werde und im Inneren Schwärzen werde. Denke das ist sicherlich jedem ein Begriff was damit gemeint ist.

Denke das war es soweit :D

hier noch ein Bild von heute :roll:


Lg.


 
IMG_20160617_095924.jpg
IMG_20160617_095924.jpg - [Bild vergrößern]


 2x  bearbeitet
pn
Premium-Member 

Anmeldedatum: 10.10.2009
Beiträge: 3179
Wohnort: Nähe vom Hamsterberg
17.06.2016, 19:00
zitieren

WarFace
Die Power Folding Mirrors die ich schon heiß erwarte werden dann sobald das Auto weg ist, erstmal einer Kompletten Elektronischen Kur unterzogen. Also zumindest der Kabelstrang wird komplett ausgepinnt und neu gezogen! Weiß hier rein zufällig jemand ne Seite wo man verschiedenste Farben an Kabel bekommt? Also Rot/Blau, Gelb/Grün usw..??

Ich bestelle meine Kabel meistens hier:

http://www.autoteile-plauen.de/index.htm

Eric (deschlong) hat bei Honda-tech ein Bild mit den Abmessungen des OEM-Nachrüstkabelbaums für die Power-Folding Mirros mit Heizung reingestellt:

http://honda-tech.com/honda-acura-28/oem-ej1-2-eg-rare-optional-parts-2485750/page66/#post50880966



Die Spiegel sind für einen 2-/3-Türer, oder?


pn
Premium-Member 

Name: Benjamin
Geschlecht:
Fahrzeug: Daily: Accord CW3 Type S, Fun: Civic EG9
Anmeldedatum: 21.08.2014
Beiträge: 1131
Wohnort: Österreich - Tirol
17.06.2016, 19:11
zitieren

Super Danke für die Info!!

Jepp sind fürn 2/3 Türer.

Das Hilft natürlich Enorm! Dank dir fürs raussuchen ;)

Macht das von den Kabeln her nen Unterschied ob die Beheizt sind oder nicht?
Die was ich bekomme sind soweit ich das gesehen hab, nicht Beheizt. Zumindest hat der Switch "nicht" den benötigten Button dazu.. Also nur Ein und Ausklappbar.


 1x  bearbeitet
pn
Premium-Member 

Anmeldedatum: 10.10.2009
Beiträge: 3179
Wohnort: Nähe vom Hamsterberg
17.06.2016, 20:12
zitieren

WarFace

Macht das von den Kabeln her nen Unterschied ob die Beheizt sind oder nicht?
Die was ich bekomme sind soweit ich das gesehen hab, nicht Beheizt. Zumindest hat der Switch "nicht" den benötigten Button dazu.. Also nur Ein und Ausklappbar.

Jein, die Spiegel sind normalerweise imGelenkbereich bereits für eine Heizung verkabelt. Es muss nur noch eine Heizungsfolie für Kfz-Spiegel hinter das Glas geklebt werden und die Leitungen in der Tür und im Fahrzeug gezogen werden.

Wenn Du die Spiegelheizung weglässt, entfallen das Relais, die Sicherung und die dicken weißen Kabel inkl. deren Anschluss am Sicherungskasten.

Persönlich habe ich die Kabel für die Heizung gleich mitgezogen und komplett angeschlossen. So kann ich nach Lust und Laune zwischen dem Spiegelschalter mit Heizung und dem Spiegelschalter mit Einklappfunktion tauschen.

Den Schaltplan von eric hast Du?


 1x  bearbeitet
pn
Premium-Member 

Name: Benjamin
Geschlecht:
Fahrzeug: Daily: Accord CW3 Type S, Fun: Civic EG9
Anmeldedatum: 21.08.2014
Beiträge: 1131
Wohnort: Österreich - Tirol
17.06.2016, 20:18
zitieren

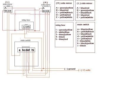
Hab mir letztens schonmal ein Diagram für die Pin Belegung rausgesucht aus nem Ammi Forum. Denke das sollte passen!

Ich mein ich hatte die Spiegel und alles ja schon mal da.. aber hab die Schlussendlich wieder verkauft weils mir einfach zu hart war das ganze zu verkabeln bzw. neu zu machen. Demnach auch keinen Plan mehr gehabt wie das ganze Schluss endlich Funktioniert.

Denke aber das ich sicherlich aufn richtigen weg bin diesmal.


 
WiringDiagram.jpg
WiringDiagram.jpg - [Bild vergrößern]


 1x  bearbeitet
pn
Premium-Member 

Anmeldedatum: 10.10.2009
Beiträge: 3179
Wohnort: Nähe vom Hamsterberg
17.06.2016, 20:49
zitieren

pn
Veteran 

Name: Matthias
Geschlecht:
Fahrzeug: Ford Mondeo MKIII 2.0 TDdi, Ford Mondeo Turnier MKIII 2.0 TDCI
Anmeldedatum: 29.04.2007
Beiträge: 817
Wohnort: Seehausen(Altmark)
17.06.2016, 21:18
zitieren

Was es nicht alles gibt, ich bin schon froh wenn alles oem funktioniert :D . Ich habe meinen linken Außenspiegel beim Umbau schon das Glas geschrottet :D

pn
Premium-Member 

Name: Benjamin
Geschlecht:
Fahrzeug: Daily: Accord CW3 Type S, Fun: Civic EG9
Anmeldedatum: 21.08.2014
Beiträge: 1131
Wohnort: Österreich - Tirol
17.06.2016, 22:19
zitieren

Ahh das sieht schon vielversprechender aus als mein Diagramm :P

Dank dir!

Jepp da gabs jede menge sachen die man noch nie gesehen oder gehört hat.
Frag mal wie ich geguckt hab als ich das erste mal davon gehört hab das es ne OEM Lederausstattung gab :hrhr: :hrhr:


pn
Junior 
Name: Patrick
Geschlecht:
Fahrzeug: Honda Civic EJ2
Anmeldedatum: 22.02.2016
Beiträge: 84
Wohnort: Wien
18.06.2016, 05:09
zitieren

Wo in Serbien laCkierst du dein auto ?

pn
Gast 
07.10.2018, 09:26
zitieren

Mach mit!

Wenn Dir die Beiträge zum Thread "Ben`s EJ2 / Schlechte Neuigkeiten" gefallen haben oder Du noch Fragen hast oder Ergänzungen machen möchtest, solltest Du Dich gleich bei uns anmelden:



Registrierte Mitglieder genießen die folgenden Vorteile:
✔ kostenlose Mitgliedschaft
keine Werbung
✔ direkter Austausch mit Gleichgesinnten
✔ neue Fragen stellen oder Diskussionen starten
✔ schnelle Hilfe bei Problemen
✔ Bilder und Videos hochladen
✔ und vieles mehr...


Neuen Thread eröffnenNeue Antwort erstellen
<1231718
2021424344>
Ähnliche BeiträgeRe:
Letzter Beitrag
Iceman57' Del sol. Neuigkeiten S.6!!!!
Hallo, Ich habe mein Sol noch nicht Vorgestellt. Es ist ein VTi von 05/1992, und ich habe es am 25.02.2010 gekauft, ich ging nach Bottrop um die zu kaufen. Das Innenraum ist ein Motegi Volleder, sie hat 170 000 KM, aber der Motor hat nur 40 000Km. Sie...
Seite 2, 3, 4, 5, 6, 7 [Del Sol]von Iceman57
67
3.097
28.08.2012, 15:35
Iceman57
neuigkeiten S 2000
mal schauen ob das so kommt wie die das...
[S2000]von JDMBoy
8
743
13.01.2013, 00:57
KleenerKrasser
 Kosse´s EP3 neuigkeiten :)
Hallo... :) nun möcht ich mich und mein neues schätzchen auch mal vorstellen... ich heiße marco,bin 25jahre,komme aus der nähe von meißen und arbeite da als koch. zu meinem honda, is ein typeR 30th anniversary edition bj ´03 hab ihn letzten...
Seite 2, 3, 4, 5, 6, 7 [Type-R]von Kosse
63
3.292
22.03.2012, 19:06
Kosse
Skgo - Neuigkeiten
Skybridge Technology Group Inc. (SKGO) verlegt Textraw-Produktionsstätte nach...
von paulasch
38
611
01.06.2011, 08:22
asterixxx
EVDR - Neuigkeiten
Starkes Bevölkerungswachstum und eine raschexpandierende Volkswirtschaft erhöhen den Druck, die indische Infrastruktur zumodernisieren und auszubauen. In den letzten Jahrzehnten hat sich ein milliardenschwerer Investitionsstau aufgebaut. Bis 2015 sollen...
von paulasch
109
672
01.07.2011, 15:40
asterixxx
SKGO - Neuigkeiten
Im letzten Monat waren SKGO sehr aktiv und landeten mehrere Jobs, dies sollte sich langsam aber sicher positiv auf die Aktien...
von paulasch
52
365
03.06.2011, 18:13
asterixxx
Fogc - Neuigkeiten
Fortune Oil & Gas Inc. (FOGC) erwirbt Cressent Energy von KingResources Inc....
von paulasch
104
2.611
31.05.2011, 10:54
Maximus
TITL neuigkeiten
Title Consulting Services Inc. (TITL) veröffentlicht Finanzbericht und behält “Current...
von SabMeier
19
113
23.03.2011, 09:35
SabMeier
Motorkontrollleuchte CRX ED9, Neuigkeiten
Nach etwa 2 km fahrt schaltet sich die motorkontrollleuchte bei meinem crx ed9 an. und das jedes mal, die komplette fahrt über. ich weiss nicht mehr was es noch sein könnte. das steuergerät zeigt keinen fehler an, nur eine störung. das blinkt in gleichen...
Seite 2, 3, 4, 5 [CRX]von gigiagig
42
5.366
31.07.2009, 14:18
Woll-E
 SilentBob's EJ9 *S.5 Neuigkeiten*
Hallo alle zusammen, ich bin der Benny 18 Jahre alt und komme aus Windeck (das ist bei Bonn/Siegburg so , falls das dem ein oder anderen etwas sagt) Seit etwa 2 Monaten bin ich stolzer Besitzer eines Honda Civic EJ9 Baujahr 1998 in Blau. Vorher fuhr ich...
Seite 2, 3, 4, 5, 6 [Civic 96-00]von SilentBob
54
5.532
28.05.2008, 18:25
blackdream99
© 2004 - 2026 www.maxrev.de | Communities | Impressum |