Forum
»
Picture Collection
»
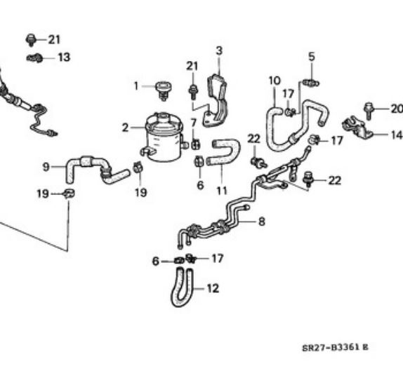
Behă¤lter D16y8 Bild
Behälter D16Y8.JPG
Forum-Code:
[url=http://www.maxrev.de/behlter-d16y8-bild-445156.htm][img]http://www.maxrev.de/files/2015/08/thumbs/t_behaelter_d16y8.jpg[/img][/url]
Details:
Author:
Has0r
Posted:
06.08.2015, 07:37
Description:
Filesize:
32,15 KB
Viewed:
35 time(s)
Comment this Picture:
hydrauliköl behälter
16 Antworten
© 2004 - 2026 www.maxrev.de (dd482) |
Communities
|
Impressum