» Wo finde ich das Vtec ventil ?

EK9 Preise in Japan!!!Neuen Thread eröffnenNeue Antwort erstellenVersicherung Type-R
AutorNachricht
Junior 

Name: Markus
Geschlecht:
Fahrzeug: Ctr Ep3
Anmeldedatum: 03.04.2008
Beiträge: 82
Wohnort: Olfen
11.07.2009, 14:37
zitieren

Hey kann mir jemand erklären wo ich das Vtec ventil finde und wie man es ausbaut (zum reinigen) ? bilder wären vieleicht nicht schlecht...
Danke schonmal !
gruß markus


pn
Senior 

Geschlecht:
Fahrzeug: FK2 Tourer EP3 #32454 sold
Anmeldedatum: 22.11.2007
Beiträge: 356
Wohnort: Kronach
11.07.2009, 15:10
zitieren

Warum willst Du es reinigen?
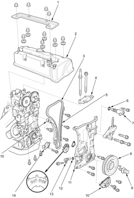
7=VTC-ÖLSTEUERUNG-MAGNETVENTIL


 
6-3a38.png
6-3a38.png - [Bild vergrößern]


pn
Junior 

Name: Markus
Geschlecht:
Fahrzeug: Ctr Ep3
Anmeldedatum: 03.04.2008
Beiträge: 82
Wohnort: Olfen
11.07.2009, 17:26
zitieren

ja genau will das mal sauber machen weil ich das gefühl habe das es ein wenig spinnt bzw manchmal der vtec ausbleibt... werd dann mal gucken ob ich es hinbekomme ;)

pn
Gesperrt 
Anmeldedatum: 11.02.2009
Beiträge: 722
11.07.2009, 21:50
zitieren

hatte ein Bekanter von mir auch mal geht er mal nicht problem wurde von Honda nie richtig gefunden und behoben :suspekt:
und er ist richtig durchgedreht und hatt alle Wärkstätten platt gemacht :(
er sagt er schaltet besser wenn der Ölstand in richtung minimal geht klingt komisch ist aber so :dumb:


pn
Gast 
11.07.2009, 21:50
zitieren

Mach mit!

Wenn Dir die Beiträge zum Thread "Wo finde ich das Vtec ventil ?" gefallen haben oder Du noch Fragen hast oder Ergänzungen machen möchtest, solltest Du Dich gleich bei uns anmelden:



Registrierte Mitglieder genießen die folgenden Vorteile:
✔ kostenlose Mitgliedschaft
keine Werbung
✔ direkter Austausch mit Gleichgesinnten
✔ neue Fragen stellen oder Diskussionen starten
✔ schnelle Hilfe bei Problemen
✔ Bilder und Videos hochladen
✔ und vieles mehr...


Neuen Thread eröffnenNeue Antwort erstellen
Ähnliche BeiträgeRe:
Letzter Beitrag
 Vtec Ventil ölt
Hallo, hab ein Problem mit meinem vtec Ventil, das Ventil ist undicht und ölt. Womit kann ich das Austreten von Öl stoppen? mfg...
Seite 2, 3, 4 [Civic 92-95]von hypnotyx
31
3.654
05.05.2010, 07:44
Honda2
Vtec Ventil wo ??
Hallo leute, ich möchte den Motor hier kaufen, kann mir einer sagen wo hier das Vtec ventil sitzt ?? bzw is da überhaupt eins sichtbar / überhaupt dran ? Danke euch schonmal...
Seite 2, 3 [Civic 96-00]von AiC
22
960
15.11.2013, 00:10
kevin2310
vtec ventil
moin. hätt mal ne frage. ist das vtecventil vom b16a2 und dem b16a1 gleich? würde es ohne probleme funktionieren wenn ich auf mein a2 ein a1-ventil...
[Performance]von jojoaxt
1
410
17.07.2012, 08:56
RH.onda
Vtec ventil von Ek4 auf p30
Hallo Hab eine Frage und zwar. Kann ich das vtec ventil vom ek4 auch aufn p30 ecu fahren?! Oder geht das nicht!? Danke schon mal im...
[Civic 92-95]von Martin93
1
199
03.09.2015, 10:22
Blues
VTEC Ventil Ölt wie wechseln
Bei mir Ölt das VTEC Ventil wohl ordentlich ist es nur eine Dichtung und bekommt man die bei Ebay gekauft oder nur bei Honda? Ach ja und wie wird die gewechselt? Danke für die Auskunft und...
[Integra]von VTECDC2
4
886
13.12.2018, 17:36
Sub-Zero
 Wo befindet sich das Vtec Ventil???
Hey, ich wollte die Tage mal das Vte Ventil reinigen. Bisher habe ich noch nicht nachgesehen, wo es sich überhaupt befindet. Damit ich mir keinen "absuche", wollte ich im Vorfeld schonmal fragen, wo das Vtec Ventil beim B16A2...
[Performance]von ThaSpooner
1
1.362
12.03.2008, 20:16
Ghostboy
Motorprobleme/ Notlauf/ Vtec-Ventil
Hallo, heute kam mein Opa zu mir und meinte das seine Motorlampe leutet ich geschaut mhh ok ganz kleine Metallpartikel im Öl, läuft im Notlauf so ausgelesen Fehler Vtec Ventil hakt/verklemmt meinte mein Kollege aus der werkstatt Morgen mache ich erstmal...
[CR-V]von AmoKeh6
0
1.027
10.10.2012, 15:58
AmoKeh6
VTEC-Ventil und Luftfilter frage
Bei meinem EG2 habe ich folgendes festgestellt: manchmal ist das umschalten in den VTEC brachial laut (so wie es sich gehört) meistens ist es "normal" hörbar und manchaml so gut wie gar nicht (weis nicht ob er dann überhaupt umschaltet) Nun...
[Del Sol]von Der_Chrischi
3
905
17.05.2011, 04:18
Der_Chrischi
Woher EE8 Vtec Ventil Dichtungen?
Weiß einer wo man drittherstellerdichtungen fürs Vtec Ventil beim EE8 bekommt? Hab bei meinem Hondahändler angerufen und die innere kleinere Dichtung gibts nicht, nur als ganzes Vtec Ventil und die große meinte er zwar gefunden zu haben, auf dem bild das...
[CRX]von benveg
5
444
07.08.2013, 11:24
Andreas2407
VTEC-Ventil Dichtung Verwirrung
Moin Moin, da ich beim TÜV-Bericht einen leichten aber nicht TÜV verhindernden Mangel hatte das mein Motor leicht Ölfeucht ist hab ich mich mal auf die Suche gemacht und hab bisher den verdacht das es die Dichtung vom VTEC-Ventil sein könnte da bei mir...
[Prelude]von T1mae
2
592
09.11.2014, 12:11
T1mae
© 2004 - 2025 www.maxrev.de | Communities | Impressum |