» Welchen Reifendruck auf 17-Zöllern? TPMS abschalten?

Dyno RunsNeuen Thread eröffnenNeue Antwort erstellenRadlager HA von SKF "original"?
<12
45>
AutorNachricht
Administrator 

Name: Marc
Geschlecht:
Anmeldedatum: 28.08.2004
Beiträge: 52436
Wohnort: Lohmar


Meine eBay-Auktionen:
13.07.2010, 12:42
zitieren

Mela_FitWo finde ich denn die ECU-Nummer Marc?

Auf dem Steuergerät?! Rechts im Beifahrerfußraum ist die ECU :yes:


pn email
Premium-Member 

Anmeldedatum: 10.10.2009
Beiträge: 3179
Wohnort: Nähe vom Hamsterberg
13.07.2010, 13:15
zitieren

Mela_FitWo finde ich denn die ECU-Nummer Marc?

Meiner ist definitiv abgeriegelt, bei 180 laut GPS tritt man ins Leere. Laut Drehzahl ginge noch Einiges, er ist noch lange nciht am Begrenzer, aber da ruckelts dann nur und er nimmt kein Gas mehr an.

Meikel, danke für den Tipp - mal sehen was die sagen.

Sicher, das es nicht ein laaanger 5. Gang ist (ähnlich wie der 5. Gang beim Ej9 usw.)?


pn
Senior 

Name: Melanie
Geschlecht:
Fahrzeug: Honda Fit 1.5 l GD3 (US-Version)
Anmeldedatum: 26.12.2009
Beiträge: 352
Wohnort: Traunstein
13.07.2010, 17:41
zitieren

Hm, das wäre schon ein Zufall - wie gesagt, ich fuhr damals auf der Bahn, Richtung Bamberg zum letzten Treffen, Fitchen beschleunigte schön durch und als das TomTom 180 anzeigte kam total abrupt der Cut. Drehzahlmäßig war er bei Weitem noch nicht am Ende.

Also Marc, ist das da wo ich mein OBD-Ding anstecke? Da steht ne Nummer drauf? Ich hab das Ding bisher immer blind reingepfriemelt...Ach nee, das ist Fahrerseite. Ich geh das Ding mal suchen.

Edit, ich seh da gar nix. Muss man dazu ne Verkleidung abbauen?


 1x  bearbeitet
pn
Administrator 

Name: Marc
Geschlecht:
Anmeldedatum: 28.08.2004
Beiträge: 52436
Wohnort: Lohmar


Meine eBay-Auktionen:
13.07.2010, 17:43
zitieren

Ist in jedem Fall ne Geschwindigkeitslimitierung drin:
http://www.maxrev.de/welches-steuergeraet-ecu-fuer-l15a-motor-t156233.htm#2490872

Haben scheinbar alle US Fits. Das ist der erste Honda, der auch in den USA abgeriegelt wurde.


pn email
Senior 

Name: Melanie
Geschlecht:
Fahrzeug: Honda Fit 1.5 l GD3 (US-Version)
Anmeldedatum: 26.12.2009
Beiträge: 352
Wohnort: Traunstein
13.07.2010, 17:44
zitieren

Na super, da hatte ich ja voll Glück :-(
Jetzt muss ich das blöde Teil nur noch finden, dann kann ich dir die Nummer sagen...


pn
Administrator 

Name: Marc
Geschlecht:
Anmeldedatum: 28.08.2004
Beiträge: 52436
Wohnort: Lohmar


Meine eBay-Auktionen:
13.07.2010, 18:26
zitieren

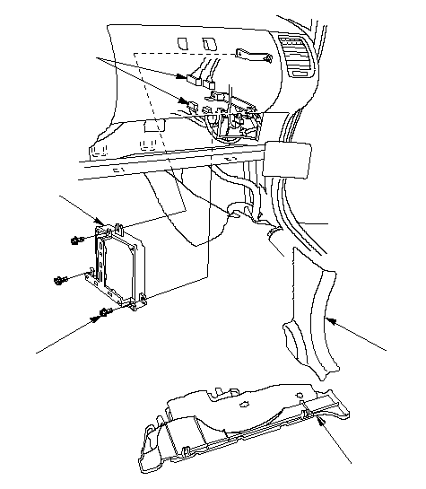
Hier die Position vom Steuergerät. Die Nummer ist da wo der Strichcode steht und fängt mit 37820 an.

 
honda-fit-ecu-position.png
honda-fit-ecu-position.png - Angeschaut: 238 mal

pn email
Senior 

Name: Melanie
Geschlecht:
Fahrzeug: Honda Fit 1.5 l GD3 (US-Version)
Anmeldedatum: 26.12.2009
Beiträge: 352
Wohnort: Traunstein
13.07.2010, 18:43
zitieren

Das nenne ich eine idiotensichere Beschreibung :-D Baut man dazu den Handschuhkasten aus?

pn
Administrator 

Name: Marc
Geschlecht:
Anmeldedatum: 28.08.2004
Beiträge: 52436
Wohnort: Lohmar


Meine eBay-Auktionen:
14.07.2010, 06:27
zitieren

Ich glaube nicht. Nur die Teile, die da in der Zeichnung abmontiert wurden. Also zwei Abdeckungen. Ich würde aber mal ganz ohne schauen, ob man die Nummer sieht. Also mit Taschenlampe in den Beifahrerfußraum legen und einfach den Teppich da umklappen, falls da einer ist. Ich mach das nachher auch mal aus Solidarität ^^

pn email
Senior 

Name: Melanie
Geschlecht:
Fahrzeug: Honda Fit 1.5 l GD3 (US-Version)
Anmeldedatum: 26.12.2009
Beiträge: 352
Wohnort: Traunstein
14.07.2010, 10:42
zitieren

Haha, das ist nett von Dir!
Vielleicht schaffe ich das heute abend mal.


pn
Administrator 

Name: Marc
Geschlecht:
Anmeldedatum: 28.08.2004
Beiträge: 52436
Wohnort: Lohmar


Meine eBay-Auktionen:
14.07.2010, 13:09
zitieren

Also ich habe gerade mal versucht. Das ist nicht zu machen denke ich. Ich habe unten die Abdeckung abgemacht, aber bis man ans Steuergerät kommt, müsste man eine ganze Menge Zeug abmontieren. Zusätzlich ist ein Schutzdeckel über dem Steuergerät, also auch der müsste erstmal runter.

pn email
Gast 
17.07.2010, 06:30
zitieren

Mach mit!

Wenn Dir die Beiträge zum Thread "Welchen Reifendruck auf 17-Zöllern? TPMS abschalten?" gefallen haben oder Du noch Fragen hast oder Ergänzungen machen möchtest, solltest Du Dich gleich bei uns anmelden:



Registrierte Mitglieder genießen die folgenden Vorteile:
✔ kostenlose Mitgliedschaft
keine Werbung
✔ direkter Austausch mit Gleichgesinnten
✔ neue Fragen stellen oder Diskussionen starten
✔ schnelle Hilfe bei Problemen
✔ Bilder und Videos hochladen
✔ und vieles mehr...


Neuen Thread eröffnenNeue Antwort erstellen
<12
45>
Ähnliche BeiträgeRe:
Letzter Beitrag
HONDA Jazz Reifendruck Kontrollsystem TPMS / RDKS
Wenn ich es richtig verstehe, gibt es bei den letzten in 2015 zugelassenen Jazz 'Auslaufmodellen' (also Modell ab 2009 bzw. Facelift ab 2012 GG3 usw.) nicht nur neue Farben (zum Beispiel 'White Orchid Pearl' = perlmutt weiß oder...
[Jazz ab 2008]von JDM-GE6
4
4.352
30.11.2015, 20:14
JDM-GE6
Welchen Reifendruck bei 205/40/17 beim Coupe
hi leute... hab mir gestern wei neue reifen gekauft für die vorderachse... wie oben gesagt in 205/40/17 ...auf eine 7J17 felge... (dazu dass es leistungstöter sind will ich nix hören - denn ich weis es eh :dance - vor allem die TOORAS mit...
[Performance]von vader87
0
1.671
23.04.2008, 12:37
vader87
ABS abschalten
kann mir wer sagen, wie man das ABS bei einem KA8 abschaltet? Ich war in der Werkstatt und er hat den Fehlercode 8xblinken. Lt. Werkstatt ist es das ABS-Steuerteil. Habe ich also gewechselt und die ABS-Lampe geht nicht trotzdem aus. habe die...
[Legend]von paula1234de
5
1.640
24.06.2015, 22:10
paula1234de
Wie Tagfahrlicht abschalten?
Erstmals sage ich "Hallo" an alle, schreibe zum ersten Mal hier. Ich habe einen neuen roten FR-V 1,8 Executive als Re-Import aus Dänemark erworben. Das Auto schaltet aber die Scheinwerfer automatisch ein sobald die Zündung an ist. Also...
[FR-V]von AlexV
7
5.151
13.10.2008, 18:16
AlexV
mal so richtig abschalten....
Was hilft euch abends nach der Arbeit? Womit schafft ihr es alle 5 mal gerade sein zu lassen und nach der Arbeit so richtig abzuschalten? was mich angeht, wird erst das Soundsystem gezündet und 202.FM eingestellt (Ich stehe auf diesen kitschigen...
Seite 2 [Offtopic]von -->REDLINE<--
11
723
22.09.2011, 21:20
A.D.
 Bremslichter abschalten
Hallo, immer öfter kommen mir in der Dämmerung oder bei Schlechtwetter Verkehrsteilnehmer ohne Licht entgegen. Der Blinker wird ohnehin nicht mehr benutzt. Ich habe mich daher entschlossen, meine Bremslichter ebenfalls abzuschalten. Das spart außerdem...
[Jazz ab 2008]von JDM-GE6
2
891
01.04.2023, 20:26
k20_user
Anlage abschalten
hi ich möchte gerne meine anlage abschalten muss ich dazu einfach einen schalter zwischen das remote kabel reintun oder etwas anderes? weil ich kann nicht im stand musik hören weil mir di anlage in 3 minuten die batterie leersaugt.. also was muss...
Seite 2 [Car Audio, Apps, Bluetooth & Navigation]von hondadriver
13
600
07.12.2011, 18:40
hondadriver
Sitzairbag abschalten beim CN2? WIE?
Hallo Leute Ich werd die nächsten Tag endlich meinen neuen Fahrersitz bekommen. Jetzt wollt ich mal fragen wie man den Sitzairbag abschalten kann? Hab schon bei Honda angefragt, aber die wussten auch keine Lösung, der Dealer wollte sich aber...
[Accord 02-08]von thomasee8
6
1.485
23.07.2007, 11:11
thomasee8
Abschalten des Gurten Piebston
Hi Leute Ich habe mir von einer Woche einen neuen CR-V Executive bestellt. Als Zweitwagen habe ich einen S2000. Bei der Probefahrt im CR-V hats mich schon gestört und zwar der Piebston beim nicht anlegen der Gurten. Beim S habe ich dem schnell abhilfe...
[CR-V]von S2k
9
1.416
09.12.2007, 08:37
S2k
Darf man das ABS einfach abschalten?
Hallo Leute, nachdem das ABS meines alten P11-144-Travellers 1,8 L fast immer grundlos regelt und somit brummt und nervt, habe ich es einfach abgeschaltet, indem ich die beiden Sicherungen rausgenommen habe. Jetzt ist Ruhe, aber ich bin mir nicht sicher,...
von Ralf D.
1
112
21.11.2017, 18:23
mgutt
© 2004 - 2026 www.maxrev.de | Communities | Impressum |