» Thor Alarmanlage (Wiedermal) Alarm geht sofort los

GFK Arbeiten selber durchführen - Anleitung ?Neuen Thread eröffnenNeue Antwort erstellenBitumen Unterbodenschutz
AutorNachricht
Beobachter 
Anmeldedatum: 14.06.2010
Beiträge: 3
14.06.2010, 15:31
zitieren

Hallo, hab zwar keinen Honda aber aber im Forum hab ich sehr tolle tipps für den einbau etc gefunden.

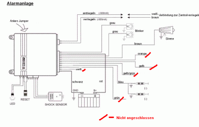
Also Ich habe die Alarmanlage mit ZV eingebaut, alles nach plan angeschlossen, nur das Unterbrecherrelais für die Zündung nicht(Weißes und Gelbes Kabel nicht angeschlossen)

Blaues Kabel geht an Türkontakt, der die masse für die Innenraumleuchte zuschaltet.

PROBLEM: Ich soll bei ausgebauter Sicherung die "Anlerntaste" drücken und die sicherung einstecken. Dabei geht allerdings sofort der Alarm los und nicht der Kurze Bestätigungston.

Wo könnte hier der Fehler sein? Hab ich irgendwas übersehen?


 So habe ich sie angeschlossen

Unbenannt.GIF
Unbenannt.GIF - [Bild vergrößern]



Verfasst am: 14.06.2010, 17:54
zitieren

So, laut meinen nachforschungen muss die weiße leitung an acc am zündschloss bzw kl 15 (zündung) ist das richtig? kann das jemand bestätigen?

mfg


edit: laut schaltplan wird das aber an das relais bei 85 angeschlossen (das relais hab ich ja nicht) aber kl 85 ist doch steuerstrom -

liegt das ganze nun an dieser sache oder verrenn ich mich ins falsche.....das heißt ja zum anlernen der tasten auch, dass man da zündung anmaachen muss
pn
Gast 
14.06.2010, 17:54
zitieren

Mach mit!

Wenn Dir die Beiträge zum Thread "Thor Alarmanlage (Wiedermal) Alarm geht sofort los" gefallen haben oder Du noch Fragen hast oder Ergänzungen machen möchtest, solltest Du Dich gleich bei uns anmelden:



Registrierte Mitglieder genießen die folgenden Vorteile:
✔ kostenlose Mitgliedschaft
keine Werbung
✔ direkter Austausch mit Gleichgesinnten
✔ neue Fragen stellen oder Diskussionen starten
✔ schnelle Hilfe bei Problemen
✔ Bilder und Videos hochladen
✔ und vieles mehr...


Neuen Thread eröffnenNeue Antwort erstellen
Ähnliche BeiträgeRe:
Letzter Beitrag
thor alarmanlage
hallo, ich habe mir vor 3 wochen einen vw lupo zugelegt. es wurde schon einiges dran rum gebastelt, aber so wie ich das sehe, schon mit ahnung. beim händler war die batterie leer,egal,probe gefahren,alles gut! auto gekauft! beim abholen hörte ich schon...
[Elektronik]von triplej
0
287
01.09.2012, 23:08
triplej
THOR AA Alarmanlage empfehlenswert?
Hallo, ich habe jetzt einiges gelesen über die Thor AA ist sie nun zu empfehlen oder ganz und gar die finger von lassen? war der einbau nach ein paar problemen dann doch erfolgreich oder haben die leute die sie hatten wieder raus...
[Car Audio, Apps, Bluetooth & Navigation]von Harlekin
3
386
07.04.2010, 07:27
Cleenz
Thor-Zentralverriegelung-mit-Alarmanlage???
Wer von Euch hat diese ZV und Alarmanlage. Und was haltet ihr...
Seite 2 [Civic 96-00]von chikitomo
14
1.805
01.05.2009, 19:33
Zappel
THOR ZV+Alarmanlage einbau Anleitung?!?
hat jemand was woran man sich bei einbau der oberen genannten thor kombi orientieren kann? skizzen, anleitung usw.? modell wäre tp-4101 +...
Seite 2 [Civic 92-95]von EG4 Fahrer
13
12.610
03.01.2009, 20:32
joker 6N
Programm geht sofort weg
Ich habe seit gestern angefangen c zu lernen und einige übungsaufgaben geschrieben aber wenn ich das was ich geschrieben habe compiliere und die exe datei ausführe kommt nur ganz kurz das was ich programmiert habe. Wie kann ich das ändern? Was...
von Chris_i_am
6
1.236
16.12.2012, 20:41
tgsflash
eg3 startet und geht sofort wieder aus
hallo leute habe ein problem mit meinem civic eg 3!!! er ist auf der autobahn einfach ausgegangen ! als wenn die zündung ausgestelt wird und nahm auch kein gas mehr an .wenn ich ihn jetzt starte springt er kurz an und geht auch sofort wieder aus und...
[Civic 92-95]von dieter
2
264
03.10.2012, 13:13
dieter
Eg 4 geht nach dem starten sofort aus!!!
Servus zusammen, mein eg4 geht nach dem starten sofort aus. erst konnte ich das mit gas geben überbrücken, nur jetzt klappt der trick auch nicht mehr. der wagen läuft so lange ich den anlasser rennen lasse. weiß nicht woran es liegen kann, hat jemand...
[Civic 92-95]von rockford15
3
384
18.04.2011, 17:01
silent
kumpels ed7 oder ed9 geht nach dem anlassen sofort aus?
also wie schon erwähnt,nach dem anlassen geht der motor sofort wieder aus. :suspekt: erst wenn ne gelbe lampe (?symbol sieht aus wie nen ventil?) leuchtet bleibt er im stand an...? :suspekt: was kann denn das sein? Thx Blank...
[Civic bis 91]von Blank86
3
686
01.07.2006, 14:22
Oli&Eddy
EE9 Civic geht morgens sofort auf 2400Upm bei (Kaltstart)???
Hallo Ich habe jetzt seit einigen Wochen folgendes Problem: Immer morgens wenn ich das Auto starte, geht die Drehzahl sofort auf circa 2400-2600 Umdrehung. So bleibt es ca. 1 min. und dann fängt er an zu sägen, von 2400 auf 1300 und wieder hoch und...
Seite 2 [Performance]von Turbo-JOBU
11
1.413
04.01.2007, 16:00
noizza
Del Sol geht während der Fahrt kurz aus und sofort wieder an
Hallo! Ich bin neu hier und möchte hiermit alle Honda-Fans grüßen! Habe mich heute in euer Forum angemeldet, weil ich Hilfe benötige. Ich fahre einen 96iger CRX Del Sol mit Automatikdach. Als ich letzten Freitag von der Arbeit heim fahren...
Seite 2 [Del Sol]von alkigott
11
1.219
18.03.2010, 13:50
MINIMALROCKER
© 2004 - 2026 www.maxrev.de | Communities | Impressum |