» Original Tagfahrlicht Honda Accord

Fensterheber defekt? Cm1Neuen Thread eröffnenNeue Antwort erstellenwo liegt beim Accord CH 6 stergerät
<12
AutorNachricht
Veteran 

Name: Björn
Geschlecht:
Fahrzeug: Accord Tourer I-CTDI Executive Navi, Leder, Privacy Glass + Rearview
Anmeldedatum: 21.04.2006
Beiträge: 711
Wohnort: Franken
18.02.2009, 11:28
zitieren

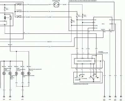
Vielleicht findest du ja was an Hand der Kabelfarben heraus... ;)

btw: Könnte das nicht auch das fehlende Relais (beim I-CDTI) im Sicherungskasten Motorraum sein... ? Zumindest ist auf dem Steuerkontakt unter der Blende Zündungsplus vorhanden. :roll:


 
TFL01.gif
TFL01.gif - [Bild vergrößern]


 
TFL02.gif
TFL02.gif - [Bild vergrößern]


pn email
Senior 

Name: Chris
Geschlecht:
Fahrzeug: Accord CM1 Bj.04 Suzuki SV650S
Anmeldedatum: 02.04.2006
Beiträge: 298
Wohnort: Nord Hessen
18.02.2009, 16:14
zitieren

Den Schaltplan habe ich auch deswegen bin ich ja auf die Idea gekommen bei meinem Acci das TFL über die Standlichter zu aktivieren.
Aber das Relai ist nicht im sicherungskasten Motorraum sondern hinterm Armaturnbrett Fahrerseite.


TFL.pdf [35,38KB]




Verfasst am: 21.02.2009, 09:21
zitieren

Hat den hier im Forum keiner einen Nordeuropäischen Acci?
Der mir dieses eine Bild machen kann damit ich vergleichen kan bzw mir was bauen kann.
Und dann kann ich ja den Bausatz sofern es was wird günstig hier zum Nahchau reinstellen.
pn
Trainee 
Fahrzeug: Honda Accord Tourer, BJ 2003, Automatik (CM1)
Anmeldedatum: 28.04.2008
Beiträge: 48
23.02.2009, 17:33
zitieren

Hinweis re Tagfahrlicht:
IIRC ist es zB in Österreich verboten, das Standlicht als Tagfahrlicht zu nutzen. Muss entweder das Abblendlicht sein oder ein extra dafür eingebautes Tagfahrlicht (wie bei neueren Autos).

Also bin mir sicher dass es das mehrfach hiess, "das Standlicht als Tagfahrlicht zu benutzen ist übrigens verboten" ..

das dürfte auch jetzt noch gelten, wo die Licht-am-Tag-Pflicht (afaik) wieder aufgehoben wurde. Standlicht darf wenn das Auto in Bewegung ist nicht an sein.

Also wie gesagt, gilt für Österreich. Nur dass es niemanden im Urlaub oder auf der Durchfahrt erwischt ...


pn
Gast 
23.02.2009, 17:33
zitieren

Mach mit!

Wenn Dir die Beiträge zum Thread "Original Tagfahrlicht Honda Accord" gefallen haben oder Du noch Fragen hast oder Ergänzungen machen möchtest, solltest Du Dich gleich bei uns anmelden:



Registrierte Mitglieder genießen die folgenden Vorteile:
✔ kostenlose Mitgliedschaft
keine Werbung
✔ direkter Austausch mit Gleichgesinnten
✔ neue Fragen stellen oder Diskussionen starten
✔ schnelle Hilfe bei Problemen
✔ Bilder und Videos hochladen
✔ und vieles mehr...


Neuen Thread eröffnenNeue Antwort erstellen
<12
Ähnliche BeiträgeRe:
Letzter Beitrag
Original Tagfahrlicht
Hallo zumsammen, wie wird das Tagfahrlicht beim Jazz original von Honda gemacht, haben die dann ein Relais verbaut oder ist die Lichtanlage anders geklemmt? Wie ist das bei den Fahrzeug im Ausland gemacht, die Tagfahrlicht haben...
[Jazz 02-08]von wund
2
863
16.01.2013, 17:55
wund
Original 18" Felgen von Honda für Accord Coupe CG2
Hallo zusammen, ich will mir für mein Coupe Felgen bei Honda holen jetzt hab ich das Problem das die nur für den "Normalen Accord" sind! Jetzt bräucht ich vorab mal ein Gutachten mit dem ich bei Tüv antanzen kann um die Eintragung zu...
[Accord 02-08]von cg2-ulm
1
1.478
01.06.2008, 12:46
eRX
Accord i-CTDI - ORIGINAL - Honda Software für mehr Leistung
Hi ! Ich habe mich unlängst bei einem Hondahändler in Österreich nach einem Accord Tourer i-CTDI umgesehen . Beim Gespräch mit dem Verkäufer sagte er mir ,dass es für den Diesel eine ORIGINALE Software von Honda gibt mit der der Motor ca. 180 PS und...
[Accord 02-08]von wolf
7
2.723
21.12.2005, 19:39
Meister
Honda CRX seriemäßig mit Tagfahrlicht?!
Moin! Hab mir bei ebay ein Fahrerhandbuch vom Civic bzw. CRX Coupe gekauft. In dem Buch hab ich einen Abschnitt zum Tagfahrlicht im CRX gefunden. Weiss jemand, ob damit nur das Aktivieren des Abblendlichtes bei Zündung gemeint ist, oder gab es...
[CRX]von MicroBug
6
1.073
14.02.2008, 16:58
Dr.Vtec
 Honda Civic EP1 1.4iS Tagfahrlicht..?!
Moinsen Leute, ich suche für meinen Civic Tagfahrlichter und vllt Xenon Lichter :D Na klar habe ich schon bei google, ebay und co geguckt aber hab ihr noch paar Seiten..?! Habe auch gesehen das es wie so eine Art LED Bänder gibt siehe hier:...
[Civic 01-05]von baseram
0
482
16.05.2014, 15:59
baseram
 Tagfahrlicht für Honda Jazz 2006
Hallo lieber Honda Jazz Fahrer Fahre ein Honda Jazz Baujahr 2006 möchte mir gerne LED Tagesfahrleuchten einbauen lassen . Wenn es geht günstig : Komme aus den Raum Düsseldorf wer kann mir da weiter helfen ? Danke im...
Seite 2, 3 [Jazz 02-08]von metro 2033
22
6.272
27.09.2010, 17:04
booni
Such Original Federn/Fahrwerk für accord 2.2 Cdti 2004
Hallo, ich suche für mein Auto Original Fahrwerk oder Feder. Wenn jemand hat und dies nicht braucht ich kann...
[Accord 02-08]von Michej
1
328
09.11.2009, 07:52
sven.buettner
Passt ein original Integra Spoiler an einen Accord CG9?
Die frage steht im Titel :P Bin für jede auskunft...
[Allgemein]von Dave86
0
248
13.07.2009, 22:17
Dave86
Suche Original Accord´04 CM1 Federn (keine Tieferlegung)
Hallo liebe Honda Fans, ich habe vor kurzen meinen EP2 für einen CM1 eingetauscht und echt voll begeistert von dem Fahrzeug. Leider war der Accord Tourer bereits um 36 mm tiefer. Ihr fragt euch sicherlich warum leider? Aber die Fahrt vor ca. 1...
[Accord 02-08]von HappyHondaDay
3
378
31.08.2008, 15:22
Skypa
tagfahrlicht led
moin leutz... hat sich von euch schon jemand tagfahrlicht verbaut? ich mein, ich finde die optik schon geil, aber diese ebay-dinger mit e-zeichen gefallen mir mal gar nicht! hat jemand schon was gemacht oder ein...
[Civic 96-00]von herbi
3
2.093
21.06.2008, 17:21
Demion
© 2004 - 2026 www.maxrev.de | Communities | Impressum |