» Need Help - Zusatzinstrumente Anschlußmöglichkeiten?

Was für ein Auspuff ist das(ED9)?Neuen Thread eröffnenNeue Antwort erstellen!!!!Verkaufe ED9 Ersatzteile inkl. Rennfahrzeug!!!!
234>
AutorNachricht
Fortgeschrittener 

Name: Michael
Geschlecht:
Fahrzeug: Honda CRX ED9
Anmeldedatum: 18.11.2015
Beiträge: 127
21.05.2018, 12:07
zitieren

Hallo,

ich muss für meinen ED9 Turbo die Zusatzinstrumente (alle VDO, Öltemp, Wassertemp, Turbo) 3 Lämpchen und die Anzeige selbst anschließen und mit Strom versorgen.
Da ich von dem Zeug einfach keinen Plan habe, wollte ich das von einem Mechaniker machen, nur der ist mir kurzfristig abgesprungen und hat keine Zeit im moment, somit selber machen. :dumb:
Kabel von den Anzeigen habe ich schon nach unten gezogen (0,75mm²) und bin hinterm Radio, beim Sicherungskasten unter dem Amaturenbrett habe ich gesehen, da sind bloß dicke Stecker und dort sehe ich keine Möglichkeit anzuschließen.

Mein Frage jetzt könnte ich auch beim letzten Steckerverbinder vom Zigarettenanzünder die Anzeigen dort anschließen, damit sie Saft bekommen? Dort könnte ich auch bezüglich Masse anschließen, sollte das mit so z.b. wago steckklemmen gehen?
Oder ist alles da drauf zu legen zuviel? Laut dem Handbuch sollte hier mit 15A abgsichert und ausreichend sein oder?

Für weiter einfache Möglichkeiten bin ich offen und bitte so einfach erklären wie es geht, ich habs überhaupt nicht mit Strom und dem gedönns lol


 
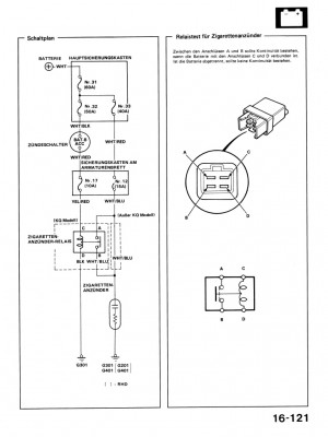
IMG_20180520_141148.jpg
IMG_20180520_141148.jpg - [Bild vergrößern]


 
IMG_20180520_141010.jpg
IMG_20180520_141010.jpg - [Bild vergrößern]


 
16-121.jpg
16-121.jpg - [Bild vergrößern]


pn
Elite 

Name: Paulo
Geschlecht:
Fahrzeug: EP3, SD01, Specialized Enduro EVO 26" Custom-Neuaufbau
Anmeldedatum: 11.06.2011
Beiträge: 1459
Wohnort: mal hier, mal da
22.05.2018, 06:32
zitieren

Hallo!
Was die Verkabelung für die Spannungsversorgung angeht, kann ich dir solche Stromabzweig- Klemmverbinder empfehlen:

https://www.amazon.de/Stromdiebe-L%C3%BCsterklemmen-Schnellverbinder-Stromdieb-Verbinder/dp/B009DJHWXM Anzeige

Und damit du damit nicht die original Fahrzeugkabel anknabbern musst, würde ich die an die Kabel vom Honda-auf-ISO Adapter vom Autoradio klemmen (ich gehe mal davon aus das du kein original Radio drin hast?).
Den kann man am billigsten und einfachsten ersetzen, wenn man originalzustand widerherstellen will. ;)
So habe ich es zumindest gemacht. Am Radio-Kabelbaum hast du auch alles was du brauchst. Zündung, Dauerplus, Masse.
Abgesichert ist der normalerweise auch extra nochmal irgendwo im Sicherungskasten.


pn
Fortgeschrittener 

Name: Michael
Geschlecht:
Fahrzeug: Honda CRX ED9
Anmeldedatum: 18.11.2015
Beiträge: 127
22.05.2018, 19:55
zitieren

Hi Redline,

also du meinst von dem Original Honda Radioanschluss geht ja ein Adapter weg, der sich auf 2 seperate Stecker aufteilt und dort wird ein moderneres Radio angeschlossen. (ja ich habe kein Original Radio drin) :D
Und von dem Zwischenstück dort diese Stromdiebe anbringen? Bei diesen Klemmen das Kabel dazwischen (alt und neu) und den Steg dort rüberklappen, dann wird das Metallstück runter gedrückt und zwickt die Umantelung durch und hat dann eine Verbindung mit beiden Kabel?

Hab meine Paint Skills ausgepackt und es zeichnerisch zum Ausdruck gebracht, war das so von dir gemeint? lol


 
Anschluss.jpg
Anschluss.jpg - [Bild vergrößern]


pn
Master 

Name: Floh
Geschlecht:
Fahrzeug: AUTO
Anmeldedatum: 18.12.2010
Beiträge: 5586
Wohnort: Im Haus
23.05.2018, 04:12
zitieren

Warum so umständlich? Am Sicherungskasten kannst Du meine ich Klemme 30 und 15 abnehmen. Masse findste ja überall.

Finde diese Stromdiebteile nicht so chic, gerade nicht wenn Du iwo am OEM-Kabelbaum rangehst. Damit zerstörst du die Isolation und schaffst zusätzliche Problemstellen, die man nicht braucht...

Achso, wenn Du an EINEM Kabel + und - abnehmen willst, wirste ein Problem kriegen... :hrhr: :hrhr:


 1x  bearbeitet
pn
Premium-Member 

Anmeldedatum: 08.05.2009
Beiträge: 6177
23.05.2018, 04:14
zitieren

Stromdiebe sind so ungefähr das dümmste und unprofessionellste was man am Fahrzeug nehmen kann. Wenn du eh kein Radio hast, dann kauf dir so ein 0815-Radioadapter und verlöte oder crimpe die Leitungen mit Quetschverbinder ordentlich.

pn
Elite 

Name: Paulo
Geschlecht:
Fahrzeug: EP3, SD01, Specialized Enduro EVO 26" Custom-Neuaufbau
Anmeldedatum: 11.06.2011
Beiträge: 1459
Wohnort: mal hier, mal da
23.05.2018, 05:32
zitieren

Und was ist an diesen ordinären Quetschverbindern jetzt so viel professioneller?
Dafür muss man bestehende Verbindungen erstmal trennen, und gequetscht funktionieren die nach genau dem selben Prinzip wie die Stromdiebe, inklusive allem was über die Jahre an Korrosion an den Kabelseelen stattfindet. Vielleicht auch etwas mehr, weil man weit mehr Seelenoberfläche freilegen muss. Plus das man ne anständige Crimpzange braucht, wenn die Kabel nicht gleich wieder rausflutschen sollen, die auch wiederum nicht billig ist.
Löten ist auch nicht jedermanns Sache, wenn wir schon bei Professionalität sind. Zumindest sehe ich als jemand mit ESA- Raumfahrtlötschein das so. Bei den meisten, matt-stumpfen und Nasig gezogenen Amateur-Lötverbindungen kriege ich eine Gänsehaut. Richtiges Löten erfordet ein kleines bisschen Hintergrundwissen (was nicht schwer ist heutzutage dank Internet) und VIEEEEL Übung.
Und dann ist da noch die Sache mit dem Schrumpfschlauch... hübsch, aber auch nicht immer einfach...
Mal ganz abgesehen davon das man auch dafür vorhandene Verbindungen erstmal trennen muss.

Die Stromdiebe funktionieren gut, auch auf lange Sicht, selbst wenn es nicht gut aussieht, aber das tun nachträgliche Änderungen an Verkabelungen sowieso nicht.
ich finde die Lösung um Welten eleganter als diese Quetschhülsen und Stecker.
Das er an den Radioadapter gehen soll hatte ich ja auch geschrieben. ;)
Die genannten "08-15 Adapter" Kosten nicht viel und sind leicht zu ersetzen. Für mich war es immer ein Tabu original Vorhandene Kabelverbindungen anzugehen, aus bereits genannten Gründen, das man damit nur Probleme provoziert, vor allem bei alten Fahrzeugen.

Da fällt mir ein, gibt es noch diese Adapter -"Bausätze" wo man die Pins der Stecker selber an die Kabel Crimpt? Da könntest du die Pins direkt auf 2 Kabel Crimpen, dann hast du die Abgänge für deine Instrumente auch und es sieht annähernd original aus.
...gerade gefunden:

https://www.amazon.de/Mini-Stecker-blau-Kontakten-Blaupunkt/dp/B00ECTE65U/ref=sr_1_fkmr0_1?ie=UTF8&qid=1527053215&sr=8-1-fkmr0&keywords=iso+stecker+autoradio+selber+crimpen Anzeige

Wenn du dir sowas holst, dann kannst du die benötigten Pins aus deinem Stecker rausziehen, abknipsen und aus dem "Bausatz" welche nehmen um das neu Crimpen, direkt mit dem zweiten Kabel am Pin. Dann bräuchtest du auch die Stromdiebe nicht. Nur dafür halt ne Crimpzange. Und ich weiß nicht ob die Pins vom MiniISO- beim normalen ISO -Stecker passen. Sowas gab es aber auch mal mit den normalen ISO Steckern, falls du die hast.

Normalerweise hat man in dem Fall einen Adapter vom Honda 20-PolStecker auf diese 2 ISO Stecker, und dann nochmal einen von diesen beiden ISO Steckern zu dem kleinen, Herstellerspezifischen Stecker an dem Radio.
Kann auch sein das die ganz neue Generation von Radios, oder "deutsche" Hersteller wie Blaupunkt oder so direkt auf ISO gehen. Bei meinen Radios (Panasonic, Clarion, Pioneer) war es immer ein extra Adapter, den man auf den anderen Adapter steckt :roll:

Der Adapter den ich meine wo man drangehen kann ist genau dieser Honda->ISO Adapter den man in so ziemlich jedem Saturn und co. für 15-20€nachkaufen kann. Im Internet warscheinlich billiger.
Dann hättest du es in deiner einwandfreien, Technischen Zeichnung auf den Punkt gebracht :D , mit der Ausnahme, das man nicht Plus und Masse von der selben Leitung bekommt. :D
Denk dran das du nicht nur dauerplus und Masse brauchst, sondern auch Zündung (also das "Signal" ACC oder wie das je nach Hersteller heißt) brauchst, damit die Instrumente sich einschalten wenn du Zündung einschaltest.

Das wäre zumindest so meine Vorgehensweise. Wenn es noch einfacher geht, so wie wuddelcrew geschrieben hat, dann ist es ja noch besser :yes:


 1x  bearbeitet
pn
Fortgeschrittener 

Name: Michael
Geschlecht:
Fahrzeug: Honda CRX ED9
Anmeldedatum: 18.11.2015
Beiträge: 127
23.05.2018, 17:31
zitieren

Hallo Leute,

danke für die vielen Infos und ich sehe meine (un)Wissenheit verbindet leute :hrhr:

Also, den Sicherungskasten unterm Lenkrad hab ich abmontiert und gesehen, dass ich da nichts einfach anschließen kann und noch dazu, zu wissen welches Kabel wohin etc. deswegen frage ich nach einen leichteren Weg, vorallem muss ich nichts originales verändern. ;)
Also Radio würde ich gern weiter benutzen und dachte ich nehme von dort den Strom und das Radio ist ja auch auf die Zündung geschaltet somit wäre es einfacher zu halten, oder habe ich da einen Denkfehler?
Ja das hätte ich sogar gewusst dass + und - nicht auf ein Kabel darf :D aber mehr nicht :P

@wuddelcrew: Wenn du beim Sicherungskasten es anschließen würdest könntest du mir da genau sagen wo, denn dort Blick ich nicht durch und da hilft auch kein Schaltplan

@-->REDLINE<--: Ok, würde das mit den Stromdieben so gehen wie auf der Zeichnung wenn ich meinen Radio behalten würde, dass ich mir nur strom "klaue" :D (+ und - NICHT auf einer Leitung ^^) Mit dem Zündungssignal hat sich dann also nicht erledit, selbst wenn ich vor dem Radio dran gehe?


pn
Premium-Member 

Anmeldedatum: 08.05.2009
Beiträge: 6177
23.05.2018, 19:21
zitieren

Gibt es im Sicherungskasten keine freien Plätze mehr, also wo noch keine Sicherung drauf ist?
Beim EJ9 sind noch Plätze unbelegt. Da sucht man sich einen Platz mit geschaltenem Plus und könnte dann mit einem Quetschverbinder als Flachstecker ausgeführt, drauf gehen, danach eine Sicherungshalter mit 3 A Sicherung und danach zu den Anzeigen. Die Masse holt man sich über die Karosserie. Das wäre eleganter.


pn
Fortgeschrittener 

Name: Michael
Geschlecht:
Fahrzeug: Honda CRX ED9
Anmeldedatum: 18.11.2015
Beiträge: 127
23.05.2018, 20:09
zitieren

es tut mir so leid, dass ich so ein depp in dem Bereich bin, echt schlimm.

Ich mache am Wochenende mal ein Foto von der Sicherung und dann vom Radioadapter, muss doch gehen ^^

Laut VDO Anleitung muss Licht an 58 und die Anzeige selber an 30 und 15, aber ich dachte da der Zigarettenanzünder auch nur mit Zündung funktioniert, kann man einfach da dran......


pn
Master 

Name: Floh
Geschlecht:
Fahrzeug: AUTO
Anmeldedatum: 18.12.2010
Beiträge: 5586
Wohnort: Im Haus
24.05.2018, 04:18
zitieren

Wo genau die Anschlüsse sind kann ich Dir von hier aus nicht sagen, habe schon lange keinen Sicherungskasten vor der Nase gehabt.

Schick mal ein Bild mit Frontansicht vom Kasten, vll. kann ich's ja markieren...

Ansonsten mal ne Prüflampe nehmen und die offenen Anschlüsse durchtesten. Nicht an den Sicherungsplätzen, da müssen iwo Litzen rausschauen, also die Gegenstücke zu nem Kabelschuh...


pn
Gast 
02.06.2018, 17:18
zitieren

Mach mit!

Wenn Dir die Beiträge zum Thread "Need Help - Zusatzinstrumente Anschlußmöglichkeiten?" gefallen haben oder Du noch Fragen hast oder Ergänzungen machen möchtest, solltest Du Dich gleich bei uns anmelden:



Registrierte Mitglieder genießen die folgenden Vorteile:
✔ kostenlose Mitgliedschaft
keine Werbung
✔ direkter Austausch mit Gleichgesinnten
✔ neue Fragen stellen oder Diskussionen starten
✔ schnelle Hilfe bei Problemen
✔ Bilder und Videos hochladen
✔ und vieles mehr...


Neuen Thread eröffnenNeue Antwort erstellen
234>
Ähnliche BeiträgeRe:
Letzter Beitrag
wo zusatzinstrumente
wo soll ich zusatzinstrumente im eg3 am besten montieren??? auf der a-säule will ich sien eingenllich nicht und beim beifahrer auch nicht gibts noch andere möglichkeiten????...
[Civic 92-95]von antiGTI
7
501
27.09.2008, 18:52
Vtec-Power
Zusatzinstrumente
hi leute habe zu weihnachten Öldrück und Öl Temperatur bekommen...aber wie und wo schliese ich die an ?? geber und so sind auch dabei...Brauch ich da nen adapter oder so oder kann man die einfach so anschliesen :( Danke...
[Civic 96-00]von -=ej9-Driver=-
6
877
06.01.2007, 19:55
Der_Ronny
Zusatzinstrumente
Wo gibt es kleine Zusatzinstrumente? Also keine mit 52mm Durchmesser sondern so 30 - 40mm? Hat sowas...
[Civic 96-00]von Bossi83
9
2.387
19.02.2007, 15:04
Vtec-Power
Zusatzinstrumente
nabend, hat jemand eine idee wo ich einen Mugen Einbau oder Aufbaurahmen für Zusazinstumente bekomme? Jazz GD1.... Ich meine hier im Forum war mal jemand der soetwas...
[Jazz 02-08]von Glimmermann
0
263
19.10.2013, 19:33
Glimmermann
Zusatzinstrumente
hab ne frage und zwar hat der EJ2 eigentlich schon ein öltemperatur sensor drin oder etwas wo man die anzeige für die öltemperatur anschliesen kann ohne das man den adapter für den ölfilter nehmt danke schon...
[Civic 92-95]von civic0711
9
757
17.07.2007, 20:53
civic0711
Zusatzinstrumente
Guten Abend, Möchte gerne wissen welche Zusatzinstrumente wichtig sind für meine EG 3 da ich jezt in den nächsten Monate mit Leder bezihen will und mir Zusatzinstrumente kaufen möchte. Also auf jeden fall kaufe ich mir Öl Temp. Habe gelsen ist...
[Allgemein]von Eclipse333
0
603
15.09.2007, 20:51
Eclipse333
Zusatzinstrumente
Hallo alle zusammen, ich wollte mal nachfragen was Ich alles brauche um mir eine Öldruckanzeige Öltemperaturanzeige Wassertemperaturanzeige einbauen zu können? Nett wär wenn jemand eine Seite hat wo ich direkt die Instrumente usw. bestellen...
[Civic 92-95]von Rota_eg4
4
450
17.10.2010, 23:22
Rota_eg4
zusatzinstrumente
Ich will mir ein paar zusatzinstrumente in meinem civic bauen. Bräuchte dazu aber mal ein paar Erfahrungen welche Firmen gut sind und welche nicht. Für lambda Wert würde ich mir nen aem holen. Nur ist halt aem nicht gerade das günstigste um davon gleich...
[Performance]von stussy
2
482
15.09.2012, 14:25
Matz CTR
Zusatzinstrumente JOM
Hi Leutz.. hat jemand von euch schon Erfahrung mit den Zusatzinstrumenten von JOM gemacht? Wollte mir von dieser Art 3 Stück holen: Öltemperatur, Öldruck und dann entweder Wassertemperatur oder Voltmeter. Was haltet ihr davon? Und hat jemand...
Seite 2 [Civic 96-00]von herbi
13
3.872
18.04.2008, 18:13
Black Ej9 driver
zusatzinstrumente
habt ihr auch zusatzinstrumente verbaut?am wichtigsten wäre doch öl temperatur wegen warm fahren oder öldruck auch?sagt mir eure...
[Del Sol]von honda102010
5
400
12.06.2012, 16:24
honda102010
© 2004 - 2026 www.maxrev.de | Communities | Impressum |