» Hilfe coming home modul Zentralverriegelung

Facelift vs. 30th AnniversaryNeuen Thread eröffnenNeue Antwort erstellensuche tachosignal für navi einbau beim ep3
AutorNachricht
Junior 
Anmeldedatum: 05.01.2007
Beiträge: 67
07.03.2009, 12:00
zitieren

Hallo Zusammen......
Ich habe mir ein universal coming home modul zugelegt.
Jetzt hab ich die ersten Probleme.....
Und zwar find ich nicht die box der originalen zentralverriegelung beim ep3.....Ich hab jediglich einen stecker gefunden,wenn ich den abschliesse geht die zentrall nicht mehr (der stecker sitzt unterm lenkrad im sicherungskasten).ich habe aber mit hilfe vom stromprüfer die kabel in dem stecker gesucht welche die türen öffnen und schließen.Leider waren die nicht dabei.Gibt es noch eine zusatz box für die zentralveriegelung??????

Dann müsste ich noch wissen wo die Kabel vom lichtschalter hingehen????

Am besten wäre so ein Schaltplan auf Deutsch.
Kann mir da jemand helfen????
Wäre super nett danke im voraus....


pn
Master 
Name: Tobias
Geschlecht:
Anmeldedatum: 28.10.2006
Beiträge: 5490
Wohnort: Pfalz
07.03.2009, 15:50
zitieren

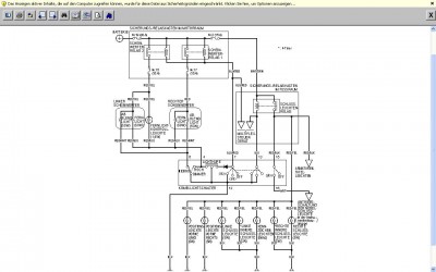
Sind die Schaltpläne vom 4Türer, müsste aber denk ich beim 3 Türer zu 80% identisch sein... im Handbuch gibts zumindest nur diese einen Skizzen zum Civic 01-05... außer der 3Türer hamse noch später was dazu gemacht...

 
1.JPG
1.JPG - [Bild vergrößern]


 
2.JPG
2.JPG - [Bild vergrößern]


 
3.JPG
3.JPG - [Bild vergrößern]


pn
Junior 
Anmeldedatum: 05.01.2007
Beiträge: 67
07.03.2009, 17:46
zitieren

Hey das Ist irklich super nett von dir....
Wo genau sitzt denn die Box von der Original Zentralverriegelung beim ep3.Unterm lenkrad im auto ist ja ein sicherungskasten,dort hab ich den stecker für die zentralverriegelung gefunden wenn ich den ziehe funzt die nicht mehr.aber da dran sind nicht die kabel zum schliessen bz öffnen.????


pn
Gast 
07.03.2009, 17:46
zitieren

Mach mit!

Wenn Dir die Beiträge zum Thread "Hilfe coming home modul Zentralverriegelung" gefallen haben oder Du noch Fragen hast oder Ergänzungen machen möchtest, solltest Du Dich gleich bei uns anmelden:



Registrierte Mitglieder genießen die folgenden Vorteile:
✔ kostenlose Mitgliedschaft
keine Werbung
✔ direkter Austausch mit Gleichgesinnten
✔ neue Fragen stellen oder Diskussionen starten
✔ schnelle Hilfe bei Problemen
✔ Bilder und Videos hochladen
✔ und vieles mehr...


Neuen Thread eröffnenNeue Antwort erstellen
Ähnliche BeiträgeRe:
Letzter Beitrag
 [HILfE]Coming Home Modul verbauen..
Nabend! habe mir ein Coming Home Modul gekauft und nach anleitung/schaltplan eingebaut, soweit so gut.. problem ist nur, das meine scheinwerfer dauerhaft leuchten wenn das gerät mit plus angeschlossen wird, und überhaupt nicht mehr ausgehen. im...
[Elektronik]von spion_one
3
1.157
25.07.2010, 20:49
mgutt
Brauche hilfe für Coming Home modul
Hi wie schon genannt brauche ich Hilfe beim einbau. Wer hat das schon gemacht? Wer kann mir das gut erklären? Habe einen...
[Civic 96-00]von Civico09
0
424
26.01.2010, 14:38
Civico09
Coming Home - Leaving Home Modul
Habe das im internet gefunden http://www.ebay.de/itm/190626311466?ssPageName=STRK:MEWAX:IT&_trksid=p3984.m1423.l2649 Wollte mal fragen ob sowas schon irgendwer verbaut hat und ob das funktioniert und einfach...
[Type-R]von LittleMaster
2
686
19.07.2012, 21:59
Matz CTR
Coming Home Modul?
Hat schonmal jemand ein Coming Home Modul im FK1 verbaut? Hat da jemand einen Anschlussplan? Vielen Dank......
[Civic 06-11]von Civic2009
1
1.064
23.04.2009, 05:46
jens81
Coming Home Modul Zwischenklemmen
hallo ersma also ich habe gesucht und gesucht und gelesen und gelesen allerdings ist mir immernoch nicht schlüssig wie ich dieses modul zwischenklemmen muss habe heute ne ZV mit funk bestellt und nen CHM mich würde interessieren wie und wo das...
Seite 2 [Elektronik]von Buddah
15
946
09.09.2010, 18:32
ds-90
Coming Leaving Home Modul an Innenraumbeleuchtung
Guten Morgen :) Würde gerne wissen, ob ich folgendes Modul : JOM 7120 auch an meine Innenraumbeleuchtung die ja über Türkontaktschalter per Masse geschalten ist, verbinden kann. In der Anleitung steht dass man es per Plus ansteuern muss, aber das Modul...
[Elektronik]von funyy
0
284
28.03.2018, 06:05
funyy
Coming-Home-Modul als Plug & Play?
Weiß jemand wo man ein Coming-Home-Modul herbekommt, dass relativ OEM ist bzw. wieder leicht zu entfernen ist? Ich will keine Kabeldiebe oder...
[Accord ab 2008]von mgutt
0
807
24.07.2011, 09:50
mgutt
Coming Home / Living Home
kann mir jemand sagen wie ich des bei meinem preluzde bb9 über das normale abblendlicht nachrüsten kann also wie bei den audis die nebelscheinwerfer nach dem abschließen so 20 sekunden nachbrennen und dann alleine ausgeht... Geb mir tipps wie kann ich...
[Elektronik]von Prelude-Cruiser
1
1.233
10.02.2007, 00:56
ToxiT
Coming Home
hallo, habe mich schon durch die suche durch gesucht^^ habe auch einiges gefunden, aber trotzdem habe ich eine frage und zwar kann ich nicht eigentlich einfach ein kabel von der innenraumleuchte zum standlicht sowie neblern legen? müsste doch eigentlich ...
[Elektronik]von sunset
3
385
22.09.2010, 18:02
Electric Pulse 1
Coming Home Jazz
Hallo liebe Mitglieder, Ich hab mal wieder ein Problem und zwar habe ich mir mal so aus spaß so ein Coming home modul von ebay gekauft. Soweit so gut! Nur jetzt würde ich gerne wissen wie genau das angeschlossen wird. So ganz blicke ich da nicht...
[Jazz 02-08]von socken
5
581
20.04.2011, 08:35
Robsen
© 2004 - 2025 www.maxrev.de | Communities | Impressum |