» Ein paar OEM Teile

D16-Ventildeckel rotNeuen Thread eröffnenDieser Thread ist gesperrt, du kannst keine Beiträge editieren oder beantworten.suche ej oder ek als limousine
AutorNachricht
Beobachter 
Anmeldedatum: 28.03.2014
Beiträge: 6
15.10.2014, 16:46
zitieren

Moin,
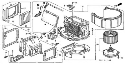
suche ein paar OEM Teile. Ist alles für nen Preface EJ9.

  • Fußstütze für den Kupplungsfuß
  • den Plastikrahmen für den Innenraumfilter (Nr.12 auf dem Bild)

Dominic


 
B__1710.jpg
B__1710.jpg - [Bild vergrößern]


pn
Premium-Member 

Name: Basti
Geschlecht:
Fahrzeug: 1999 Civic EK3 Hatchback
Anmeldedatum: 24.08.2009
Beiträge: 3741
Wohnort: Schermbeck
15.10.2014, 20:50
zitieren

Fußmatten bekommst du original bei Honda für ca. 25-30€. Ansonsten kann ich sehr die AKR Matten empfehlen. ;)
http://www.akr-performance.de/zubehr/AKR%7Cfumatten-2715


pn
Beobachter 
Anmeldedatum: 28.03.2014
Beiträge: 6
15.10.2014, 21:53
zitieren

Super, dann kann das schon mal von der Liste.

Dominic


pn
Gast 
15.10.2014, 21:53
zitieren

Mach mit!

Wenn Dir die Beiträge zum Thread "Ein paar OEM Teile" gefallen haben oder Du noch Fragen hast oder Ergänzungen machen möchtest, solltest Du Dich gleich bei uns anmelden:



Registrierte Mitglieder genießen die folgenden Vorteile:
✔ kostenlose Mitgliedschaft
keine Werbung
✔ direkter Austausch mit Gleichgesinnten
✔ neue Fragen stellen oder Diskussionen starten
✔ schnelle Hilfe bei Problemen
✔ Bilder und Videos hochladen
✔ und vieles mehr...


Neuen Thread eröffnenDieser Thread ist gesperrt, du kannst keine Beiträge editieren oder beantworten.
Ähnliche BeiträgeRe:
Letzter Beitrag
Suche ein paar Teile
Hoffentlich bin ich hier richtig damit :D ! Naja am besten gleih zur sache ... suche ein paar tuningteile für meinen ed6 ... das heißt lippen , schürzen un anderes ... hab großes intresse an einen bösen blick ... kleinigkeiten wie plasma (egal in...
[Civic bis 91]von pink-honda
0
233
14.05.2008, 19:26
pink-honda
Verkaufe paar teile für Accord CM1 02-08
verkauft...
[Accord 02-08]von czutok
0
410
19.09.2016, 13:46
czutok
Bb9 brauche ein paar teile und euer know how
Hey leute also ich hab mich jetzt hier nen bissl durchgelesen und wollte fragen ob wer von euch für mein luden jemand ledersitze hat:) ausserdem könnt ich noch ein krümmer und ne ansaugbrücke vom bb2 gebrauchen und würd gern wissen ob das alles so plug...
[Prelude]von Mu22nich
6
307
08.09.2009, 09:11
Bakko23
sodelle jetzt mal n paar teile
hey hey hier mal n paar teile die ich bis zum frühjahr einbauen werde : Sturzversteller Hinten ...
[Civic 96-00]von hondacivic90
2
218
12.11.2011, 13:06
hondacivic90
Ich habe noch paar Teile übrig....
D2 BBK 8 Kolben 330mm Bremsanlage 900km 929 € VB Klappenendschalldämpfer (Funk) 829 € VB Motorsteuergerät 26000km 300€ Klimakompressor 13000km 450€ VB GT Flügel Carbon 160cm breit 379€ VB Enkei Wakasa 7x17...
[CRZ]von Honda-Hamburg
6
828
09.02.2020, 11:37
XedgeX
hab ein paar teile super günstig abzugeben
seht einfach mal unter dem...
[CRX]von EVERETT
1
548
23.06.2007, 15:14
EVERETT
 Ein paar Teile für mein Baby (Auspuff)
Hey Leute... Manche habens ja schon gemerkt, dass ich wie wild Teile für einen Neuaufbau meines EG4 LSi suche... Zur Zeit bin ich bei der Auspuffanlage angelangt und wollte mich mal erkundigen, was man da so empfiehlt... grob brauchen werd ich...
[Civic 92-95]von Lord_Ishmael
5
802
14.12.2007, 10:24
Vtec-Power
Moinsen such ein paar teile für mein accord cl7;)
Moinsen, ich suche für mein accord cl7 , eije originale oder sport / zubehör duplex auspuff anlage. desweiter ein paar schöne felgen am besten 18 zoll hat da jemand was ?? und ein paar spoiler lippen :) Bzw. weclche ET müsste die felge haben wenn ich...
[Accord 02-08]von Robges
0
228
04.02.2015, 09:12
Robges
 Ein paar Fragen wegen Teile am EG4 mit Bildern!
Hallo miteinander. mache jetzt mein ersten Beitrag :D und habe gleich mal mehrere Fragen. Also ich bin früher vor ca 7-8 Jahren mal nen Honda Civic EG4 gefahren. Hab den damals mit 18 einfach so wie er ist gekauft und hab nix dran gemacht. Hab den...
Seite 2 [Civic 92-95]von Kadi_84
14
582
17.03.2011, 16:53
HondaSzeneThüringen
suche lackierer der mir nen paar teile lackieren kann
Moin, Ich suche jemanden der mir eine original Del Sol frontschürze mit einer JUN-Lippe und eine GFK heckschürze Warrior von TSS in der farbe G82P Lackieren kann (farbe kann ich vom fach Handel in hannover besorgen), natürlich wär es gut wenn es in...
[Spachteln, Schleifen & Lackieren]von harakiry-2008
0
257
22.09.2013, 14:58
harakiry-2008
© 2004 - 2026 www.maxrev.de | Communities | Impressum |