» close

P30 ECU Steuergerät OBD1Neuen Thread eröffnenDieser Thread ist gesperrt, du kannst keine Beiträge editieren oder beantworten.[Suche] Del Sol Innenraumteile
AutorNachricht
Premium-Member 

Name: Niko
Geschlecht:
Anmeldedatum: 19.05.2008
Beiträge: 6353
Wohnort: Finnentrop
13.04.2014, 12:34
zitieren

Hallo Gemeinde,

Wie schon im Titel gesagt, suche ich die zwei großen Schutzbleche für die VTi Vorderachse! Bietet mir alles an. Zustand ist recht egal, werden eh gepulvert. Allerdings sollten sie nicht zu stark verbogen oder gerissen sein. Bietet mir einfach alles an.

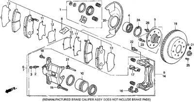
Edit: hier noch eine Skizze. Es ist die Nummer 20



Gruß Niko :)


 
front-brake-v-tec-460527.png
front-brake-v-tec-460527.png - [Bild vergrößern]



Verfasst am: 14.04.2014, 14:09
zitieren

Und up. Ist wirklich dringend :/

Verfasst am: 15.04.2014, 12:45
zitieren

Kann zu.
pn
Gast 
15.04.2014, 12:45
zitieren

Mach mit!

Wenn Dir die Beiträge zum Thread "close" gefallen haben oder Du noch Fragen hast oder Ergänzungen machen möchtest, solltest Du Dich gleich bei uns anmelden:



Registrierte Mitglieder genießen die folgenden Vorteile:
✔ kostenlose Mitgliedschaft
keine Werbung
✔ direkter Austausch mit Gleichgesinnten
✔ neue Fragen stellen oder Diskussionen starten
✔ schnelle Hilfe bei Problemen
✔ Bilder und Videos hochladen
✔ und vieles mehr...


Neuen Thread eröffnenDieser Thread ist gesperrt, du kannst keine Beiträge editieren oder beantworten.
Ähnliche BeiträgeRe:
Letzter Beitrag
close please
hallo, mein b16a2 läuft unruhig im leerlauf und hat weniger leistung im niedrigen drehzahl bereich. ab 3500 umdrehungen habe ich wieder volle leistung die vmax passt auch. der 2. zylinder reagiert nicht wenn zündkabel rausgezogen wird. neue zündkerzen...
Seite 2, 3 [Civic 96-00]von pilot-em1
20
944
13.11.2012, 10:16
pilot-em1
 close
close...
Seite 2 [Performance]von xxLexanixx
10
570
30.07.2012, 14:38
xxLexanixx
Close
Close!...
[Performance]von xxLexanixx
4
252
05.07.2012, 15:39
wuddelcrew
close please
Hallo Wir haben heut bei meinem em1 den zv getauscht jedoch haben wir gemerkt Das der zv der drin war umgepinnt ist.... Was meint ihr weshalb..hab apexi drin kann das vl zusammen...
[Civic 96-00]von pilot-em1
1
202
03.02.2013, 18:40
pilot-em1
 close
.....
Seite 2, 3, 4, 5, 6 [Integra]von TeGdriver1992
56
4.119
29.07.2013, 09:34
Ed6richi
close
close € ...
[Ankündigungen]von fago88
3
349
06.12.2012, 17:28
*iceman
 pls close
Hey leute, ich hab mein Nummernschild+ Halterung entfernt und werde es durch ein Klebeschild ersetzen! Jetzt suche ich ene spezielle Frontschürze! Is eig die OEM aber ohne den Mittelsteg! Gibt es so eine? Oder muss ich das selber...
Seite 2 [Allgemein]von *ThePunisher*
11
557
11.10.2011, 09:42
Lightning
close
close...
Seite 2, 3 [Civic 96-00]von b16freaka2power
26
1.150
21.12.2011, 09:27
Blues
close
close...
Seite 2 [Civic 96-00]von b16freaka2power
10
453
08.12.2011, 08:09
Blues
close
.,....
Seite 2, 3, 4, ... 12, 13, 14 [Civic 92-95]von Andrüha1HGEJ2
134
7.130
30.03.2014, 13:19
Black-Undercover
© 2004 - 2026 www.maxrev.de | Communities | Impressum |