Honda Forum & Tuning Übersicht » Gallery » Album von gold-civic
« vorheriges Bild   Luftfilterkasten   nächstes Bild »
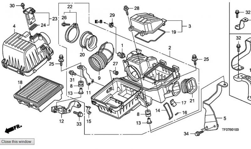
 Luftfilterkasten

Auf mein Handy senden

 
Poster:gold-civic
Titel:Luftfilterkasten
Verfasst am:01.07.2016, 07:21
Aufrufe:0
Post_your_comment
Nachricht
Max. Länge (in Bytes): 1024
Bitte bewerte das Bild: 
Sehr glücklichSmilieTraurigÜberraschtGeschockt
CoolLachenVerrücktAuf den Arm nehmenWeinen
BöseSehr böseMit den Augen rollenWinkenAusrufezeichen
FrageIdeeFahrenBlablablaOff Topic
© 2004 - 2026 www.maxrev.de (dd482) | Communities | Impressum